Gutbrod HB 46 RSLS 12BS698I690 (2004) Ersatzteile
12BS698I690 (2004) HB 46 RSLS

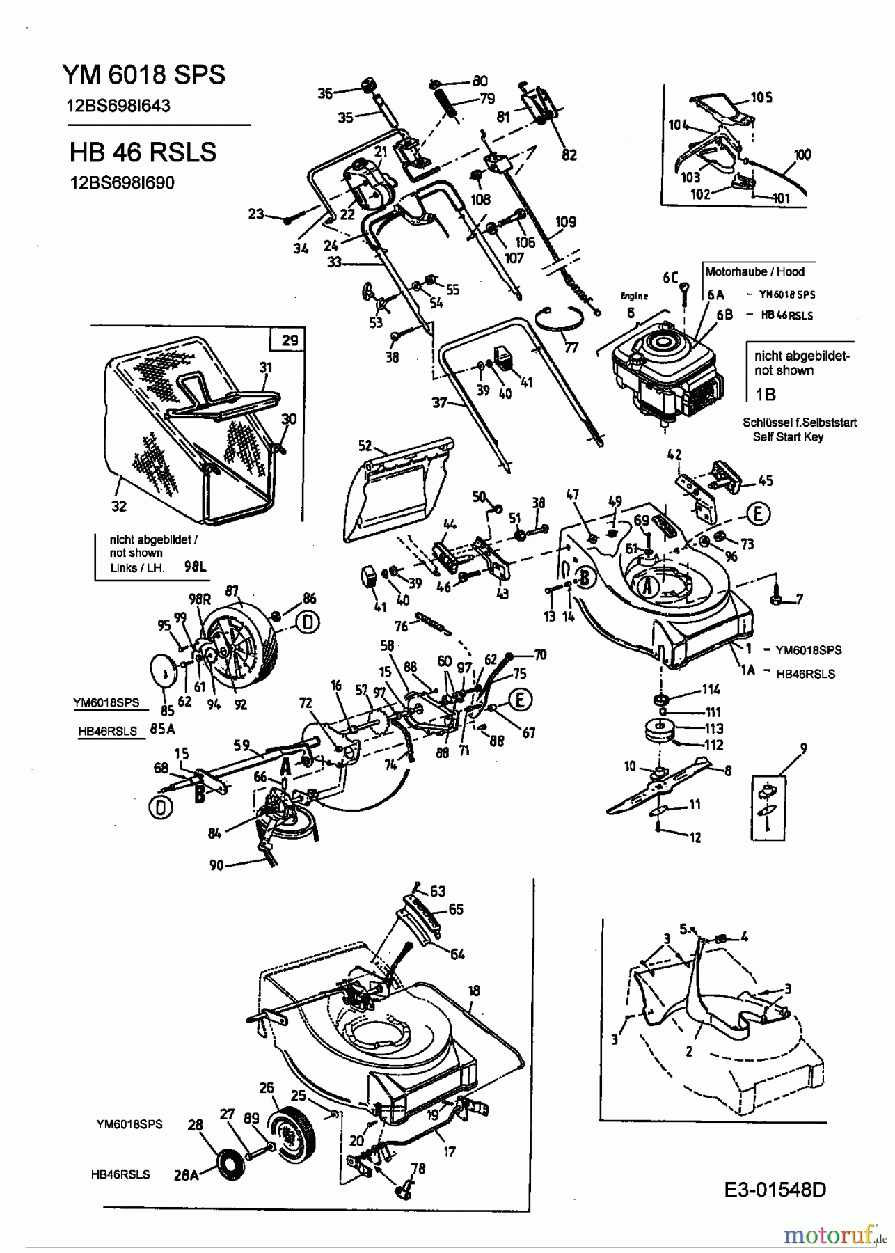
Hier finden Sie die Ersatzteilzeichnung für Gutbrod Motormäher mit Antrieb HB 46 RSLS 12BS698I690 (2004) Grundgerät. Wählen Sie das benötigte Ersatzteil aus der Ersatzteilliste Ihres Gutbrod Gerätes aus und bestellen Sie einfach online. Viele Gutbrod Ersatzteile halten wir ständig in unserem Lager für Sie bereit.































