Gutbrod HB 46 R 02877.02 (1989) Fahrantrieb, Räder Ersatzteile
Fahrantrieb, Räder 02877.02 (1989)

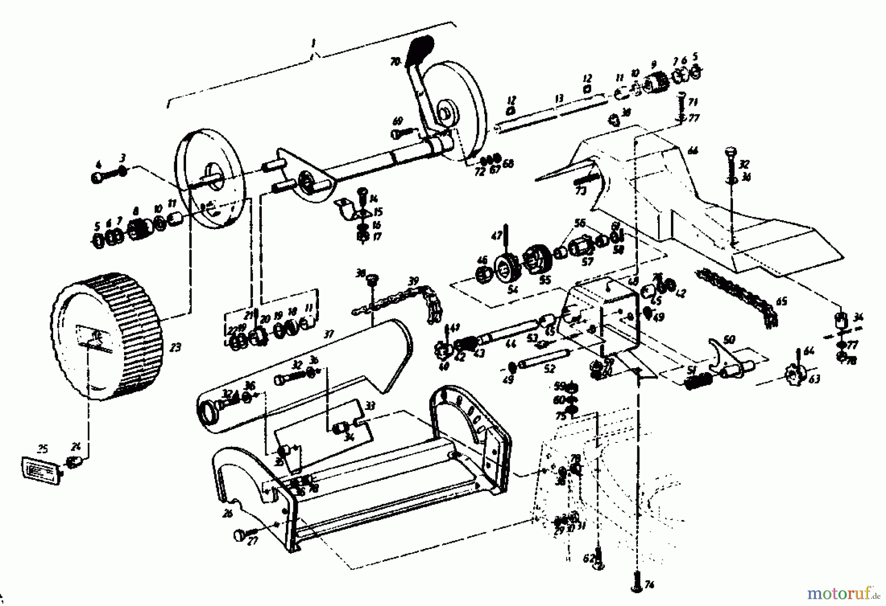
Hier finden Sie die Ersatzteilzeichnung für Gutbrod Motormäher mit Antrieb HB 46 R 02877.02 (1989) Fahrantrieb, Räder. Wählen Sie das benötigte Ersatzteil aus der Ersatzteilliste Ihres Gutbrod Gerätes aus und bestellen Sie einfach online. Viele Gutbrod Ersatzteile halten wir ständig in unserem Lager für Sie bereit.



