Gutbrod HB 45 RL 12D-T28R690 (2005) Getriebe, Grasfangsack, Holm, Motor Ersatzteile
Getriebe, Grasfangsack, Holm, Motor 12D-T28R690 (2005)

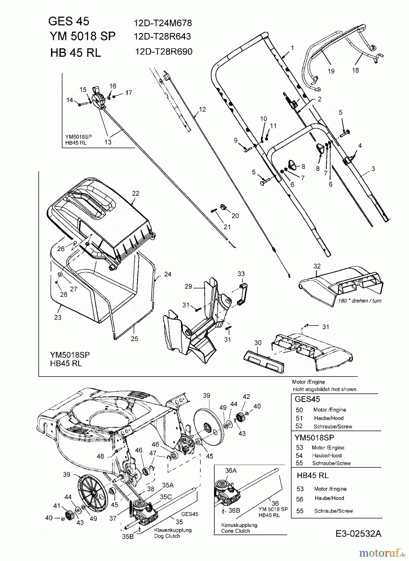
Hier finden Sie die Ersatzteilzeichnung für Gutbrod Motormäher mit Antrieb HB 45 RL 12D-T28R690 (2005) Getriebe, Grasfangsack, Holm, Motor. Wählen Sie das benötigte Ersatzteil aus der Ersatzteilliste Ihres Gutbrod Gerätes aus und bestellen Sie einfach online. Viele Gutbrod Ersatzteile halten wir ständig in unserem Lager für Sie bereit.
















