Gutbrod HB 45 REL 02885.02 (1987) Getriebe, Räder Ersatzteile
Getriebe, Räder 02885.02 (1987)

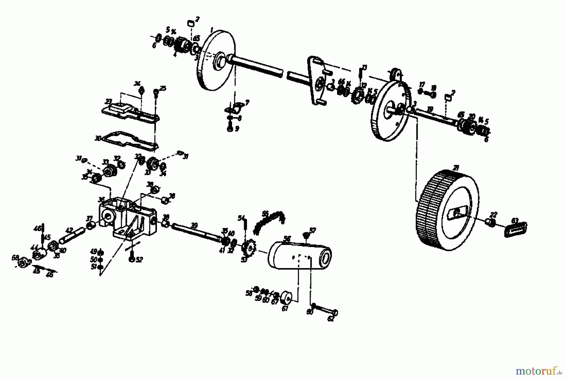
Hier finden Sie die Ersatzteilzeichnung für Gutbrod Motormäher mit Antrieb HB 45 REL 02885.02 (1987) Getriebe, Räder. Wählen Sie das benötigte Ersatzteil aus der Ersatzteilliste Ihres Gutbrod Gerätes aus und bestellen Sie einfach online. Viele Gutbrod Ersatzteile halten wir ständig in unserem Lager für Sie bereit.