Gutbrod ECO BR 04033.06 (1996) Ersatzteile
04033.06 (1996) ECO BR

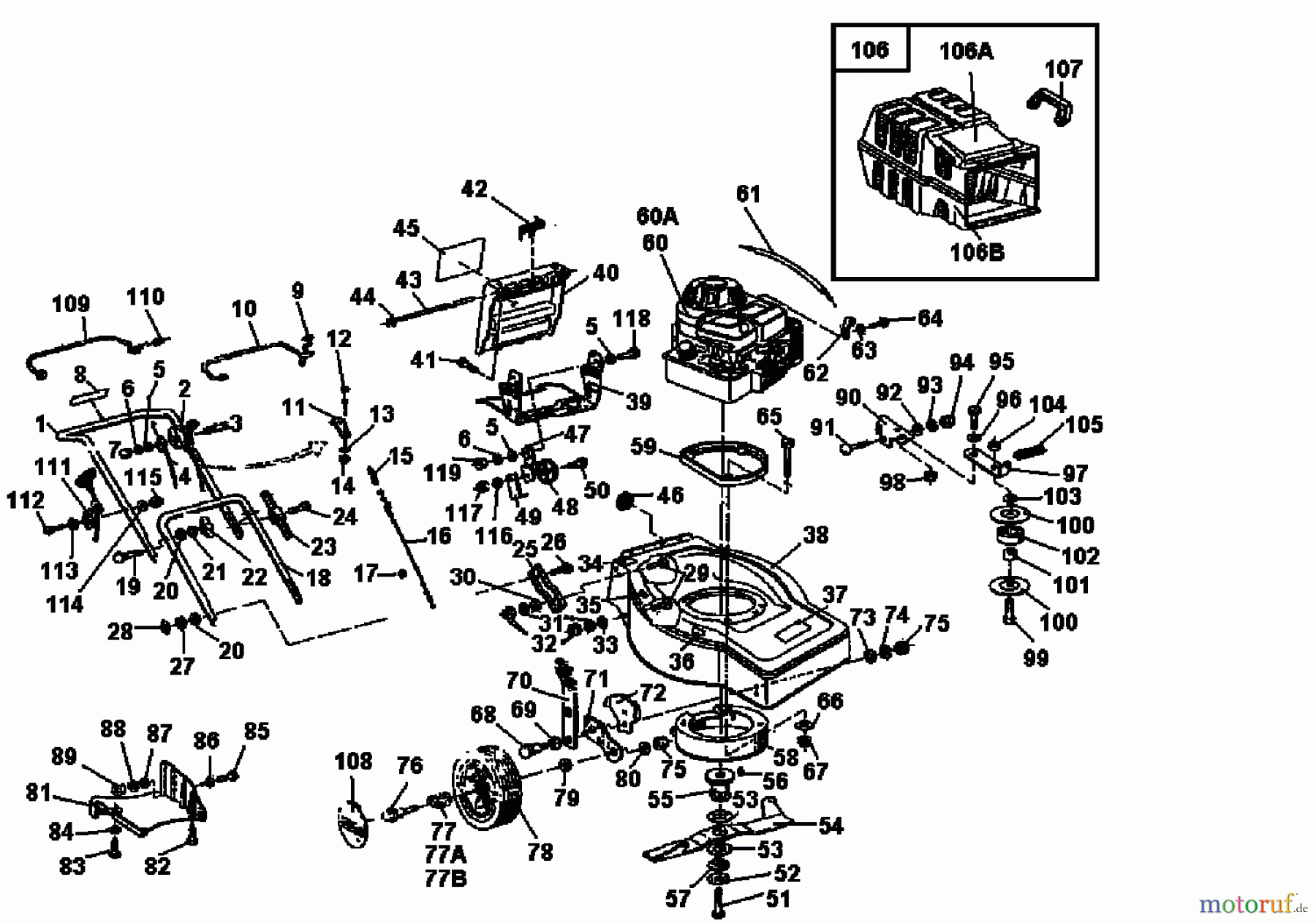
Hier finden Sie die Ersatzteilzeichnung für Gutbrod Motormäher mit Antrieb ECO BR 04033.06 (1996) Grundgerät. Wählen Sie das benötigte Ersatzteil aus der Ersatzteilliste Ihres Gutbrod Gerätes aus und bestellen Sie einfach online. Viele Gutbrod Ersatzteile halten wir ständig in unserem Lager für Sie bereit.


Qualitätsmanagement
 Informieren Sie uns, wenn Sie einen Fehler gefunden haben.

