Stiga Baujahr 2016 SBC 232 D (2016) Getriebe Ersatzteile
Getriebe SBC 232 D (2016)

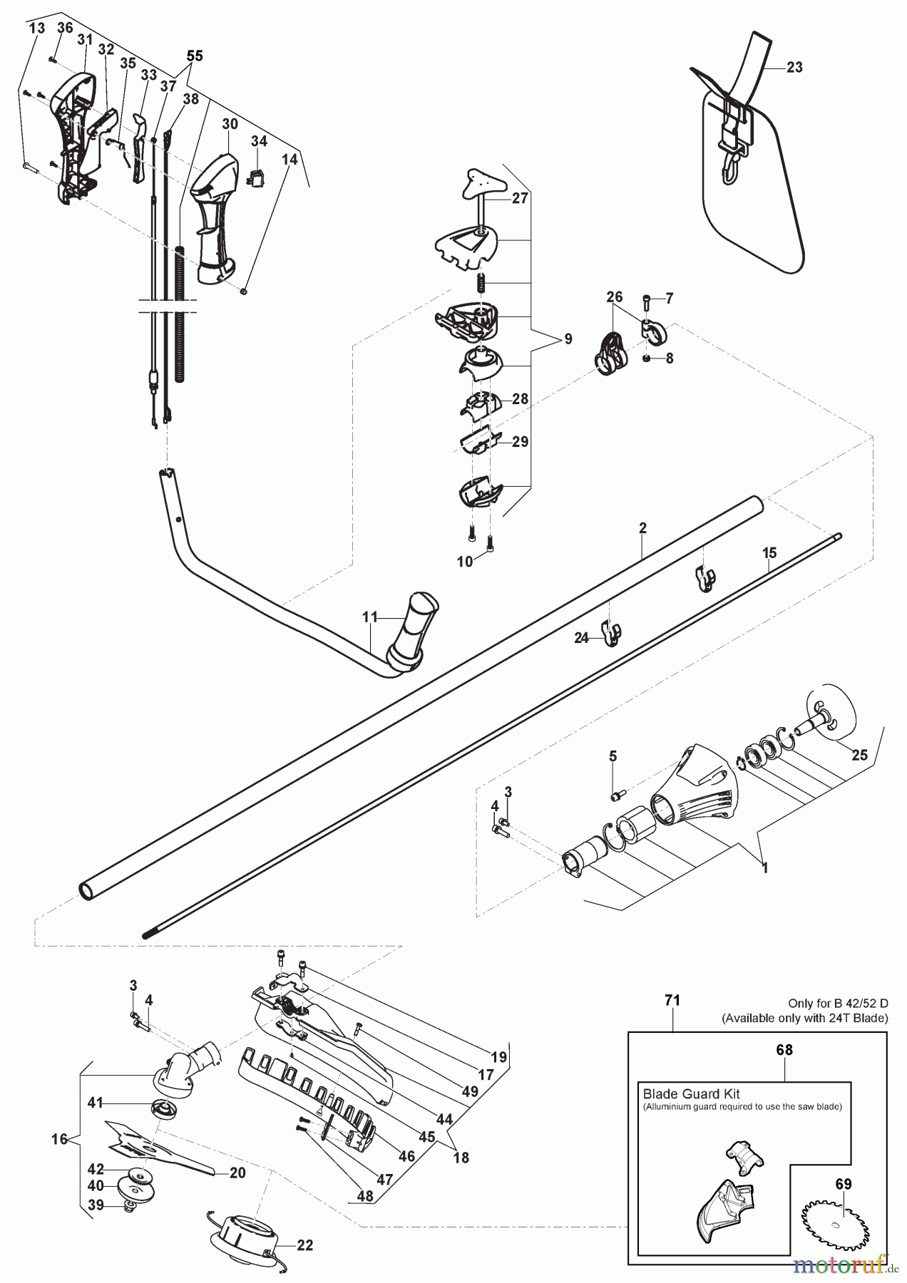
Hier finden Sie die Ersatzteilzeichnung für Stiga Motorsensen, Trimmer Baujahr 2016 SBC 232 D (2016) Getriebe. Wählen Sie das benötigte Ersatzteil aus der Ersatzteilliste Ihres Stiga Gerätes aus und bestellen Sie einfach online. Viele Stiga Ersatzteile halten wir ständig in unserem Lager für Sie bereit.
Häufig benötigte Stiga Baujahr 2016 SBC 232 D (2016) Getriebe Ersatzteile

Artikelnummer: ST118801125/0
Suche nach: 118801125/0
Hersteller: Stiga
Stiga Ersatzteil Getriebe
Suche nach: 118801125/0
Hersteller: Stiga
Stiga Ersatzteil Getriebe
13.73 €
für EU incl. MwSt., zzgl. Versand


Qualitätsmanagement
Informieren Sie uns, wenn Sie einen Fehler gefunden haben.






