Stiga Baujahr 2024 HPS 235 R (2024) 2C1351801/ST2 Hochdruckreiniger Ersatzteile
Hochdruckreiniger HPS 235 R (2024) 2C1351801/ST2

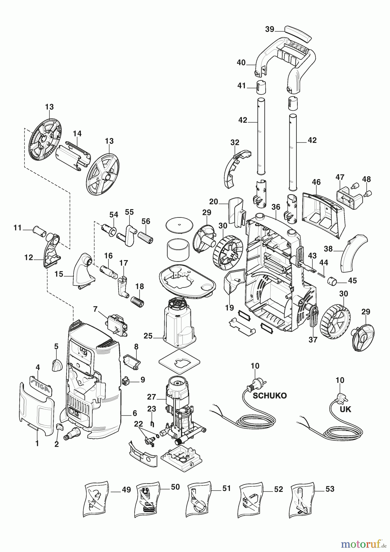
Hier finden Sie die Ersatzteilzeichnung für Stiga Hochdruckreiniger Baujahr 2024 HPS 235 R (2024) 2C1351801/ST2 Hochdruckreiniger. Wählen Sie das benötigte Ersatzteil aus der Ersatzteilliste Ihres Stiga Gerätes aus und bestellen Sie einfach online. Viele Stiga Ersatzteile halten wir ständig in unserem Lager für Sie bereit.


Qualitätsmanagement
Informieren Sie uns, wenn Sie einen Fehler gefunden haben.

