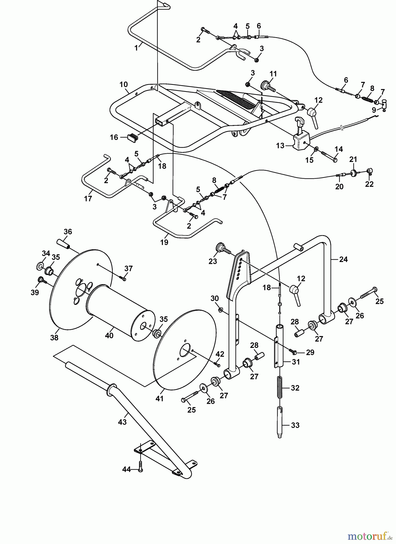
Stiga Verlegemaschine 2024 Cable layer machine (2024) 26-2911-11 Handle Ersatzteile
Handle Cable layer machine (2024) 26-2911-11

Hier finden Sie die Ersatzteilzeichnung für Stiga Mähroboter Verlegemaschine 2024 Cable layer machine (2024) 26-2911-11 Handle. Wählen Sie das benötigte Ersatzteil aus der Ersatzteilliste Ihres Stiga Gerätes aus und bestellen Sie einfach online. Viele Stiga Ersatzteile halten wir ständig in unserem Lager für Sie bereit.


Qualitätsmanagement
Informieren Sie uns, wenn Sie einen Fehler gefunden haben.

