Stiga Baujahr 2013 1381 HST (2013), 18-2852-32 Hydro Getribe Ersatzteile
Hydro Getribe 1381 HST (2013), 18-2852-32

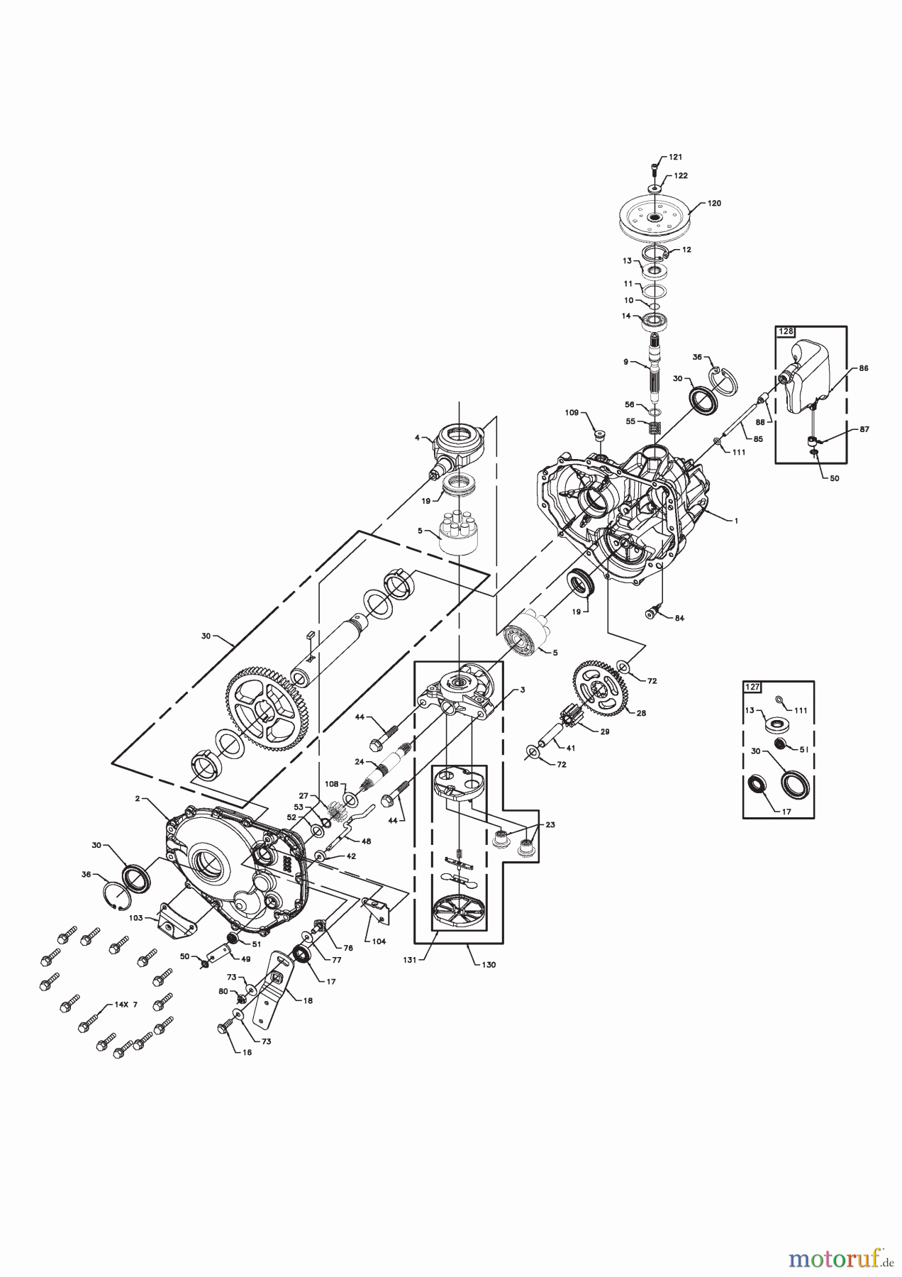
Hier finden Sie die Ersatzteilzeichnung für Stiga Schneefräsen Baujahr 2013 1381 HST (2013), 18-2852-32 Hydro Getribe. Wählen Sie das benötigte Ersatzteil aus der Ersatzteilliste Ihres Stiga Gerätes aus und bestellen Sie einfach online. Viele Stiga Ersatzteile halten wir ständig in unserem Lager für Sie bereit.


Qualitätsmanagement
Informieren Sie uns, wenn Sie einen Fehler gefunden haben.

