Stiga Baujahr 2024 Park 500 (2024) 2F6120545/ST2P Rahmensatz Ersatzteile
Rahmensatz Park 500 (2024) 2F6120545/ST2P

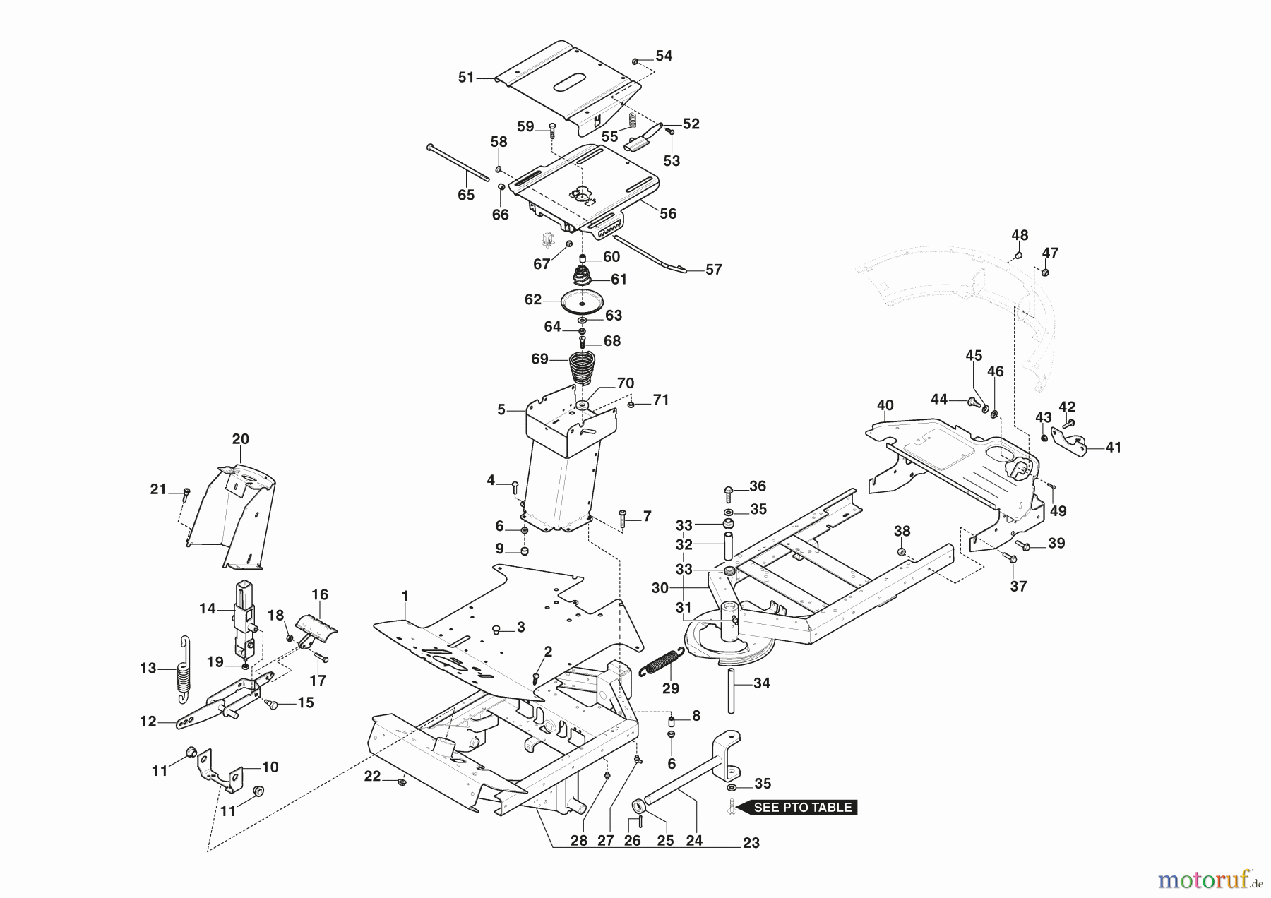
Hier finden Sie die Ersatzteilzeichnung für Stiga Frontmäher Baujahr 2024 Park 500 (2024) 2F6120545/ST2P Rahmensatz. Wählen Sie das benötigte Ersatzteil aus der Ersatzteilliste Ihres Stiga Gerätes aus und bestellen Sie einfach online. Viele Stiga Ersatzteile halten wir ständig in unserem Lager für Sie bereit.








