Stiga Baujahr 2024 Park Pro 900 AWX (2024) 2F6430931/ST2P hydraulische Pumpe - KPL-13ALP Ersatzteile
hydraulische Pumpe - KPL-13ALP Park Pro 900 AWX (2024) 2F6430931/ST2P

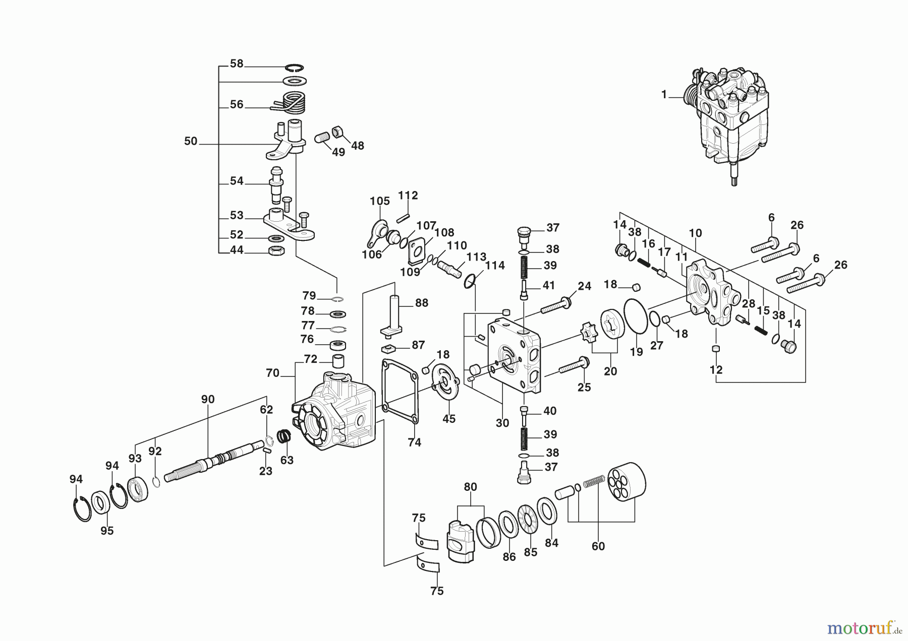
Hier finden Sie die Ersatzteilzeichnung für Stiga Frontmäher Baujahr 2024 Park Pro 900 AWX (2024) 2F6430931/ST2P hydraulische Pumpe - KPL-13ALP. Wählen Sie das benötigte Ersatzteil aus der Ersatzteilliste Ihres Stiga Gerätes aus und bestellen Sie einfach online. Viele Stiga Ersatzteile halten wir ständig in unserem Lager für Sie bereit.


Qualitätsmanagement
Informieren Sie uns, wenn Sie einen Fehler gefunden haben.

