Stiga Baujahr 2024 ESTATE 9122 WX (2024) [2T1535381/ST2P] Lenkung Ersatzteile
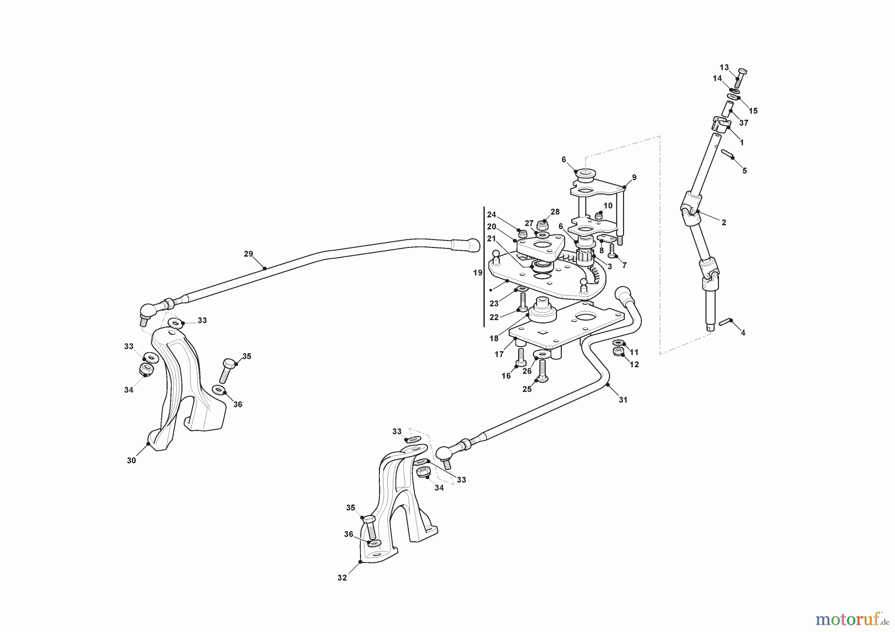
Lenkung ESTATE 9122 WX (2024) [2T1535381/ST2P]
![Stiga Aufsitzmäher Baujahr 2024 ESTATE 9122 WX (2024) [2T1535381/ST2P] Lenkung](/bild2cache/zenbit_katalog_cat_51249079_51249079_1_jpg-1800-1272.jpg)
Hier finden Sie die Ersatzteilzeichnung für Stiga Aufsitzmäher Baujahr 2024 ESTATE 9122 WX (2024) [2T1535381/ST2P] Lenkung. Wählen Sie das benötigte Ersatzteil aus der Ersatzteilliste Ihres Stiga Gerätes aus und bestellen Sie einfach online. Viele Stiga Ersatzteile halten wir ständig in unserem Lager für Sie bereit.


Qualitätsmanagement
Informieren Sie uns, wenn Sie einen Fehler gefunden haben.




