Stiga Baujahr 2024 ESTATE 9102 WX (2024) [2T1430381/ST2P] Getriebe - KXH7ND Ersatzteile
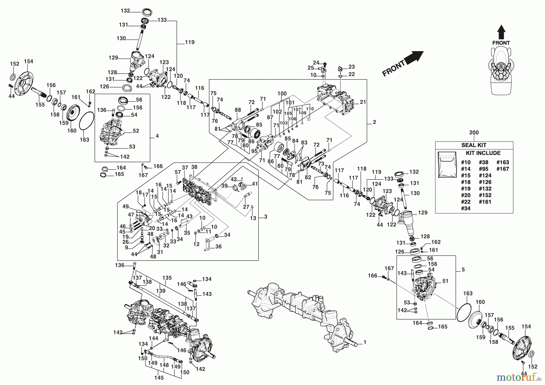
Getriebe - KXH7ND ESTATE 9102 WX (2024) [2T1430381/ST2P]
![Stiga Aufsitzmäher Baujahr 2024 ESTATE 9102 WX (2024) [2T1430381/ST2P] Getriebe - KXH7ND](/bild2cache/zenbit_katalog_cat_51249075_51249075_1_jpg-1800-1272.jpg)
Hier finden Sie die Ersatzteilzeichnung für Stiga Aufsitzmäher Baujahr 2024 ESTATE 9102 WX (2024) [2T1430381/ST2P] Getriebe - KXH7ND. Wählen Sie das benötigte Ersatzteil aus der Ersatzteilliste Ihres Stiga Gerätes aus und bestellen Sie einfach online. Viele Stiga Ersatzteile halten wir ständig in unserem Lager für Sie bereit.



