AL-KO TRAKTOR 93-H SABO (SA270122) Ersatzteile
TRAKTOR 93-H SABO (SA270122) Rasentraktor
Artikel Nummer: 123039 123039

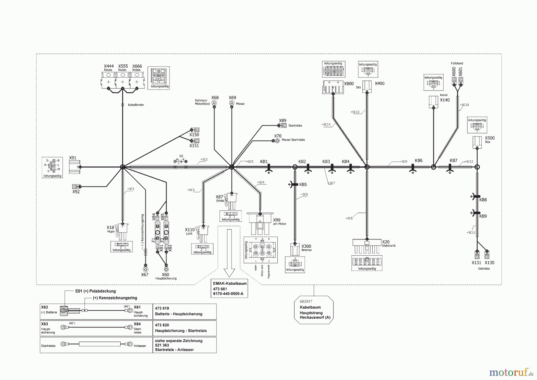
Hier finden Sie die Ersatzteilzeichnung für AL-KO Gartentechnik Rasentraktor TRAKTOR 93-H SABO (SA270122) 02/2023 Seite 10. Wählen Sie das benötigte Ersatzteil aus der Ersatzteilliste Ihres AL-KO Gerätes aus und bestellen Sie einfach online. Viele AL-KO Ersatzteile halten wir ständig in unserem Lager für Sie bereit.
| BildNr | Artikel Nummer | Bezeichnung | |
| AL493017 | KABELBAUM HAUPTSTRANG HA TRAKTOR | ||


Qualitätsmanagement
Informieren Sie uns, wenn Sie einen Fehler gefunden haben.

