AL-KO T17-103.3 HD Ersatzteile
T17-103.3 HD Rasentraktor
Artikel Nummer: 123036 123036

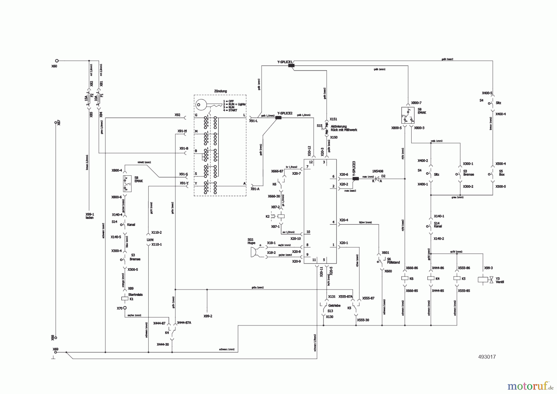
Hier finden Sie die Ersatzteilzeichnung für AL-KO Gartentechnik Rasentraktor T17-103.3 HD 09/2022 Seite 11. Wählen Sie das benötigte Ersatzteil aus der Ersatzteilliste Ihres AL-KO Gerätes aus und bestellen Sie einfach online. Viele AL-KO Ersatzteile halten wir ständig in unserem Lager für Sie bereit.
| BildNr | Artikel Nummer | Bezeichnung | |
| AL493017 | KABELBAUM HAUPTSTRANG HA TRAKTOR | ||


Qualitätsmanagement
Informieren Sie uns, wenn Sie einen Fehler gefunden haben.

