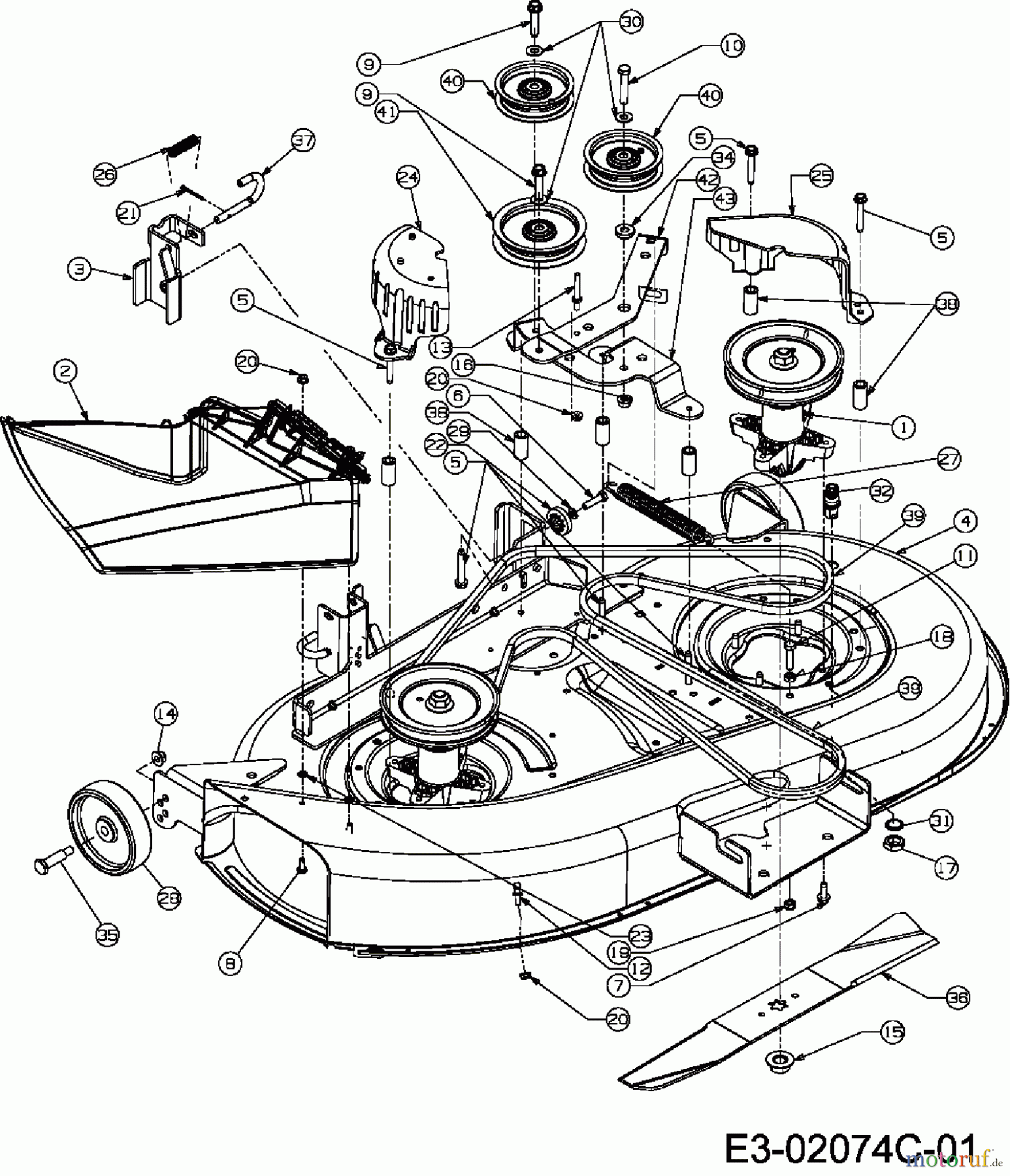
Gutbrod SLX 107 SH 13AO51GG690 (2011) Mähwerk G (42"/107cm) Ersatzteile
Mähwerk G (42"/107cm) 13AO51GG690 (2011)

Hier finden Sie die Ersatzteilzeichnung für Gutbrod Rasentraktoren SLX 107 SH 13AO51GG690 (2011) Mähwerk G (42"/107cm). Wählen Sie das benötigte Ersatzteil aus der Ersatzteilliste Ihres Gutbrod Gerätes aus und bestellen Sie einfach online. Viele Gutbrod Ersatzteile halten wir ständig in unserem Lager für Sie bereit.



























