LONCIN Motoren Benzintank Ersatzteile
Benzintank Schneefräsen Motor LC165FDS, 170FDS

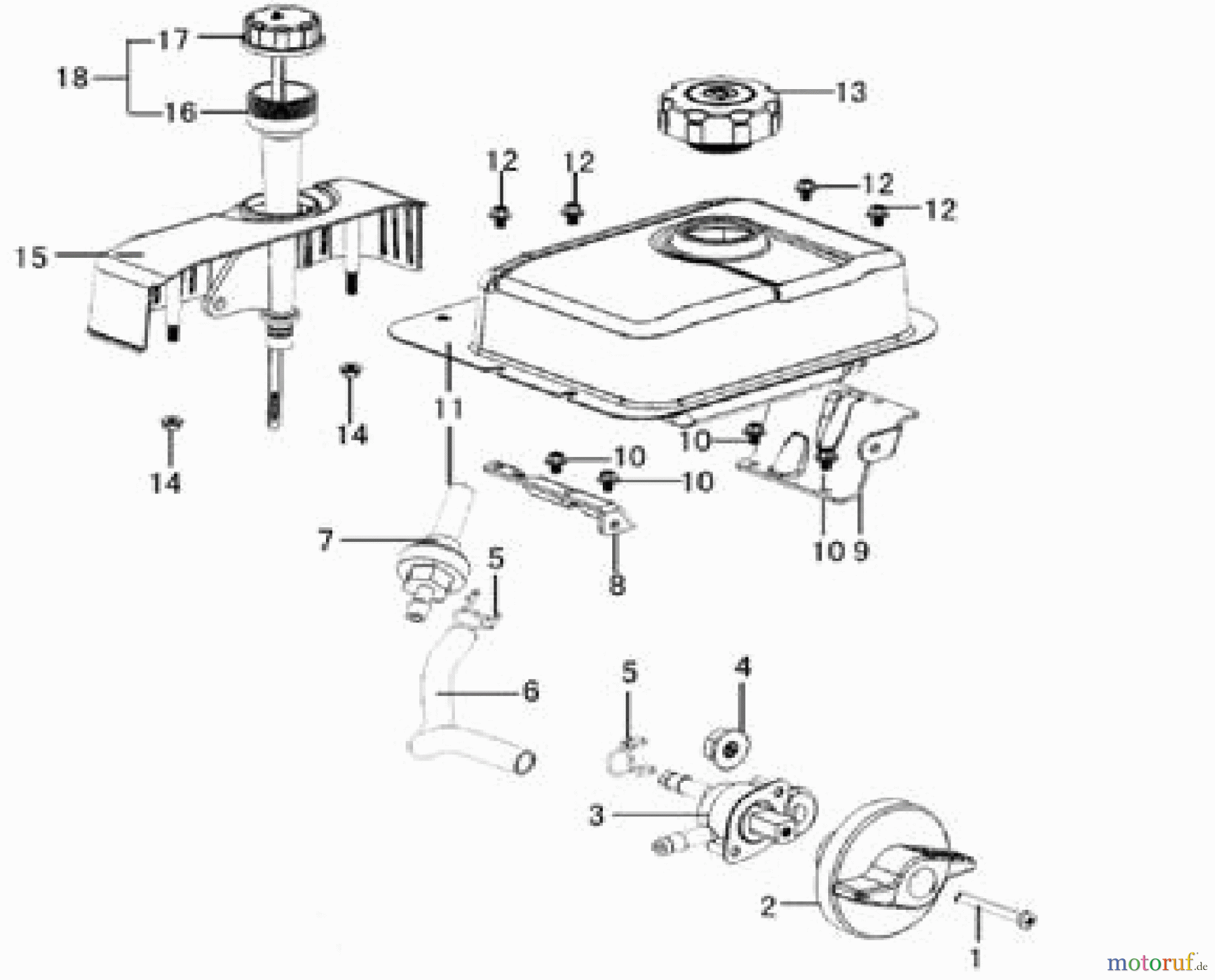
Hier finden Sie die Ersatzteilzeichnung für LONCIN Motoren Schneefräsen Motor LC165FDS, 170FDS Benzintank. Wählen Sie das benötigte Ersatzteil aus der Ersatzteilliste Ihres LONCIN Motoren Gerätes aus und bestellen Sie einfach online. Viele LONCIN Motoren Ersatzteile halten wir ständig in unserem Lager für Sie bereit.
Häufig benötigte LONCIN Motoren Benzintank Ersatzteile

Artikelnummer: 170660077-0001-LON
Suche nach: 170660077-0001-LON
Hersteller: Loncin
LONCIN Motoren Ersatzteil Benzintank
Suche nach: 170660077-0001-LON
Hersteller: Loncin
LONCIN Motoren Ersatzteil Benzintank
2.30 €
für EU incl. MwSt., zzgl. Versand





