Bosch Metallortungsgerät MT100 Ersatzteile
MT100 Metallortungsgerät
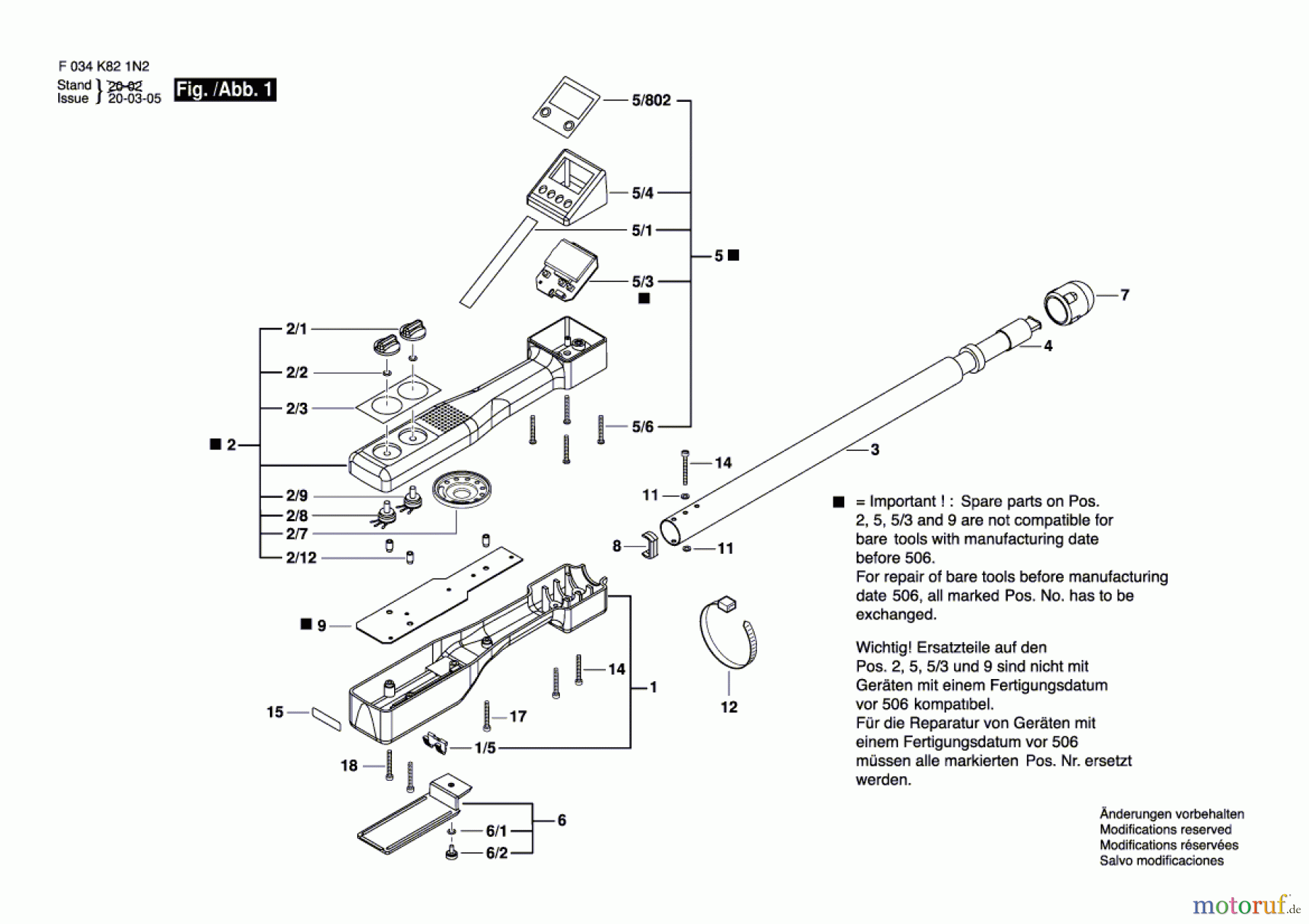
Artikel Nummer: F 034 K82 1N2 (F034K821N2)

Hier finden Sie die Ersatzteilzeichnung für Bosch Werkzeug Metallortungsgerät MT100 Seite 1. Wählen Sie das benötigte Ersatzteil aus der Ersatzteilliste Ihres Bosch Gerätes aus und bestellen Sie einfach online. Viele Bosch Ersatzteile halten wir ständig in unserem Lager für Sie bereit.


Qualitätsmanagement
Informieren Sie uns, wenn Sie einen Fehler gefunden haben.

