Bosch Rasenmäher BALMORAL 20S Ersatzteile
BALMORAL 20S Rasenmäher
Artikel Nummer: F 016 309 503 (F016309503)

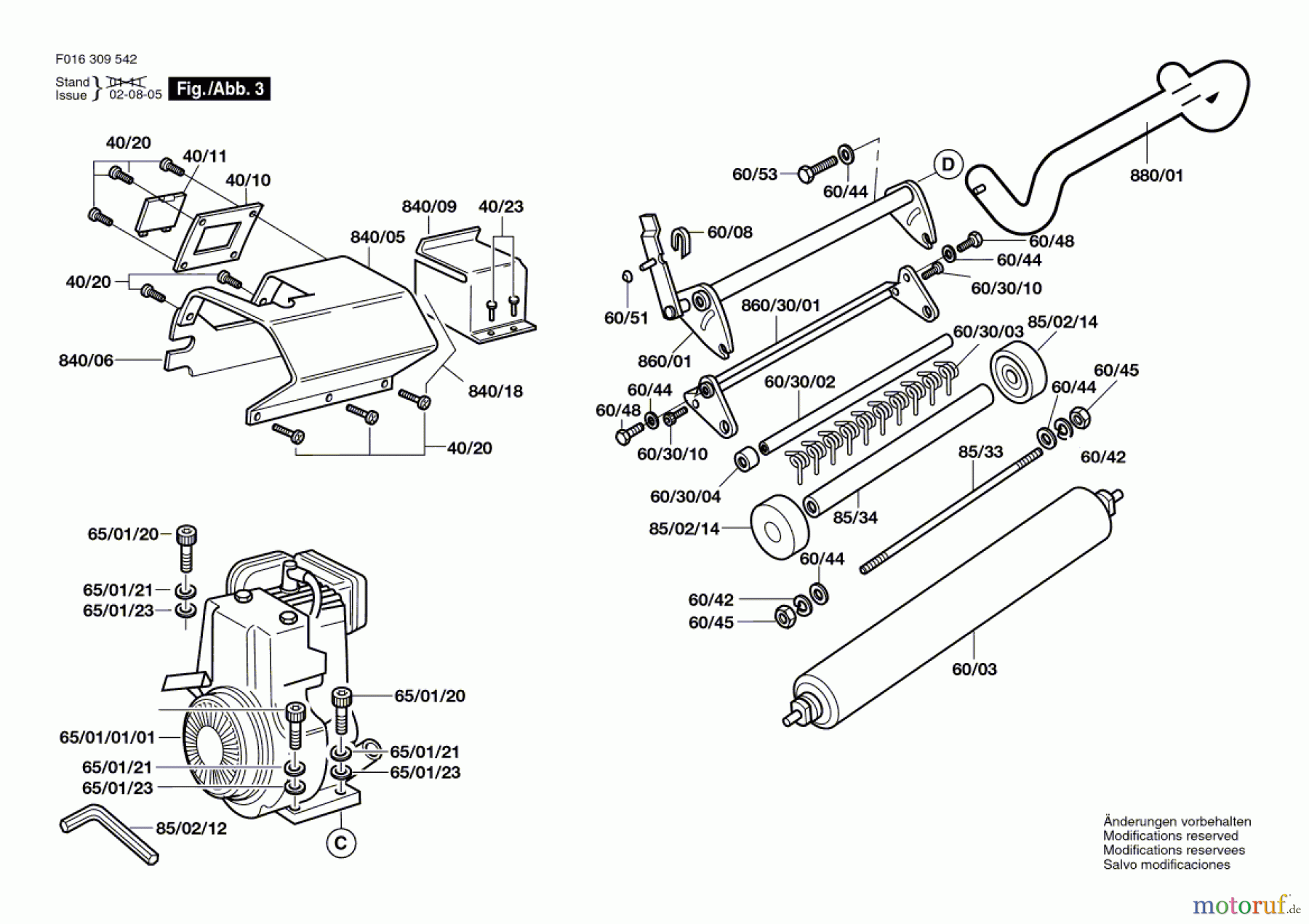
Hier finden Sie die Ersatzteilzeichnung für Bosch Gartengeräte Rasenmäher BALMORAL 20S Seite 3. Wählen Sie das benötigte Ersatzteil aus der Ersatzteilliste Ihres Bosch Gerätes aus und bestellen Sie einfach online. Viele Bosch Ersatzteile halten wir ständig in unserem Lager für Sie bereit.


Qualitätsmanagement
Informieren Sie uns, wenn Sie einen Fehler gefunden haben.