Bosch Rasenmäher BALMORAL 14SE Ersatzteile
BALMORAL 14SE Rasenmäher
Artikel Nummer: F 016 307 403 (F016307403)

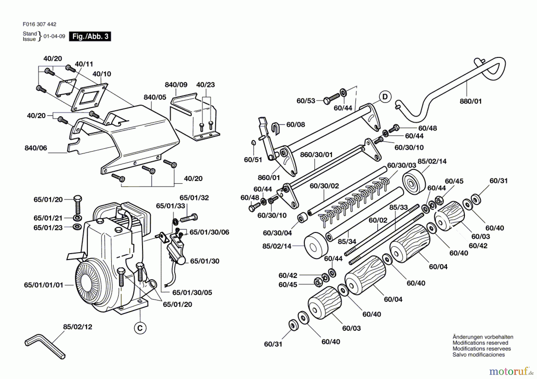
Hier finden Sie die Ersatzteilzeichnung für Bosch Gartengeräte Rasenmäher BALMORAL 14SE Seite 3. Wählen Sie das benötigte Ersatzteil aus der Ersatzteilliste Ihres Bosch Gerätes aus und bestellen Sie einfach online. Viele Bosch Ersatzteile halten wir ständig in unserem Lager für Sie bereit.


Qualitätsmanagement
Informieren Sie uns, wenn Sie einen Fehler gefunden haben.

