Bosch Winkelpolierer 9950 Ersatzteile
9950 Winkelpolierer
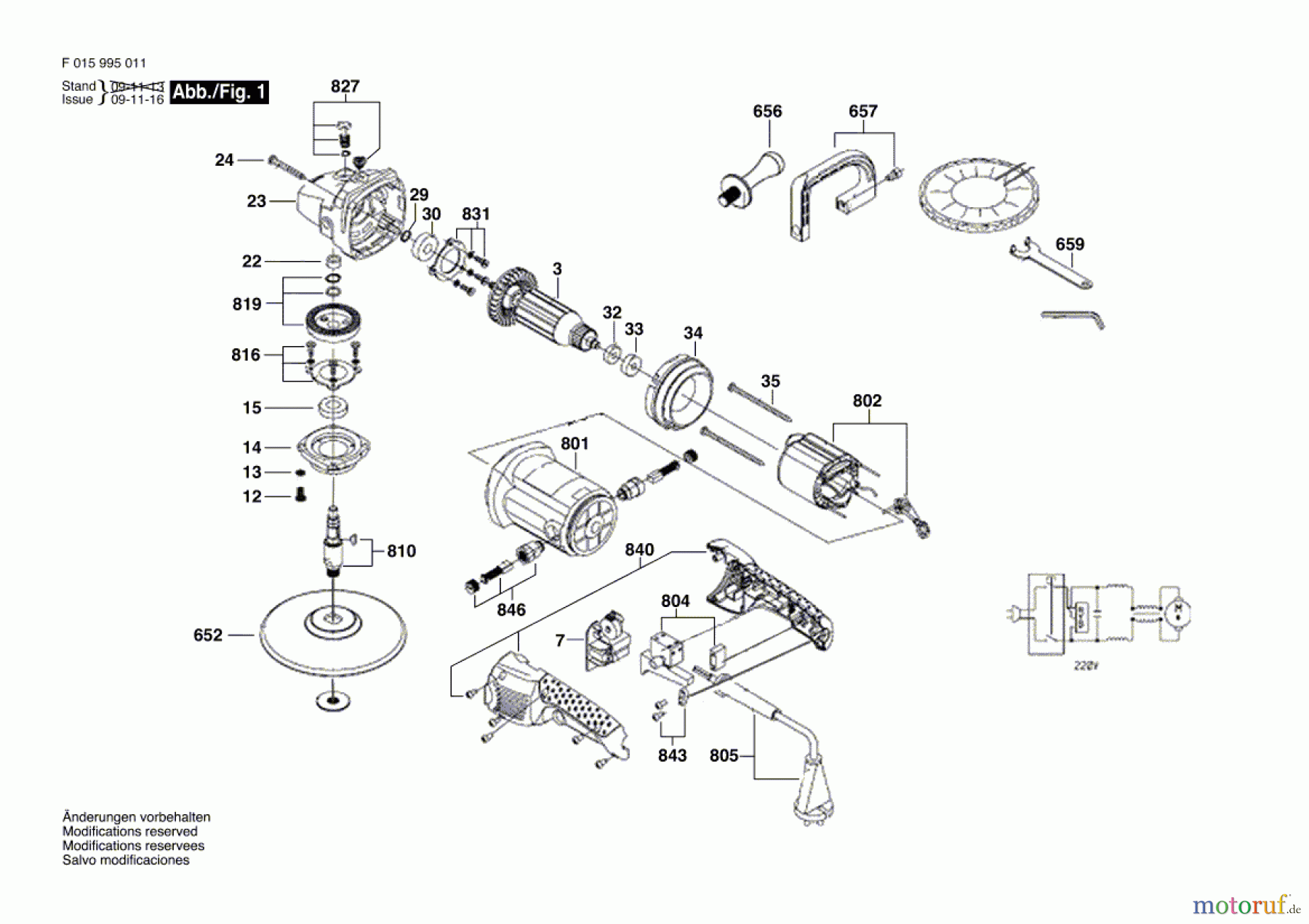
Artikel Nummer: F 015 995 011 (F015995011)

Hier finden Sie die Ersatzteilzeichnung für Bosch Werkzeug Winkelpolierer 9950 Seite 1. Wählen Sie das benötigte Ersatzteil aus der Ersatzteilliste Ihres Bosch Gerätes aus und bestellen Sie einfach online. Viele Bosch Ersatzteile halten wir ständig in unserem Lager für Sie bereit.


Qualitätsmanagement
Informieren Sie uns, wenn Sie einen Fehler gefunden haben.

