Bosch Winkelschleifer 9290 A1 Ersatzteile
9290 A1 Winkelschleifer
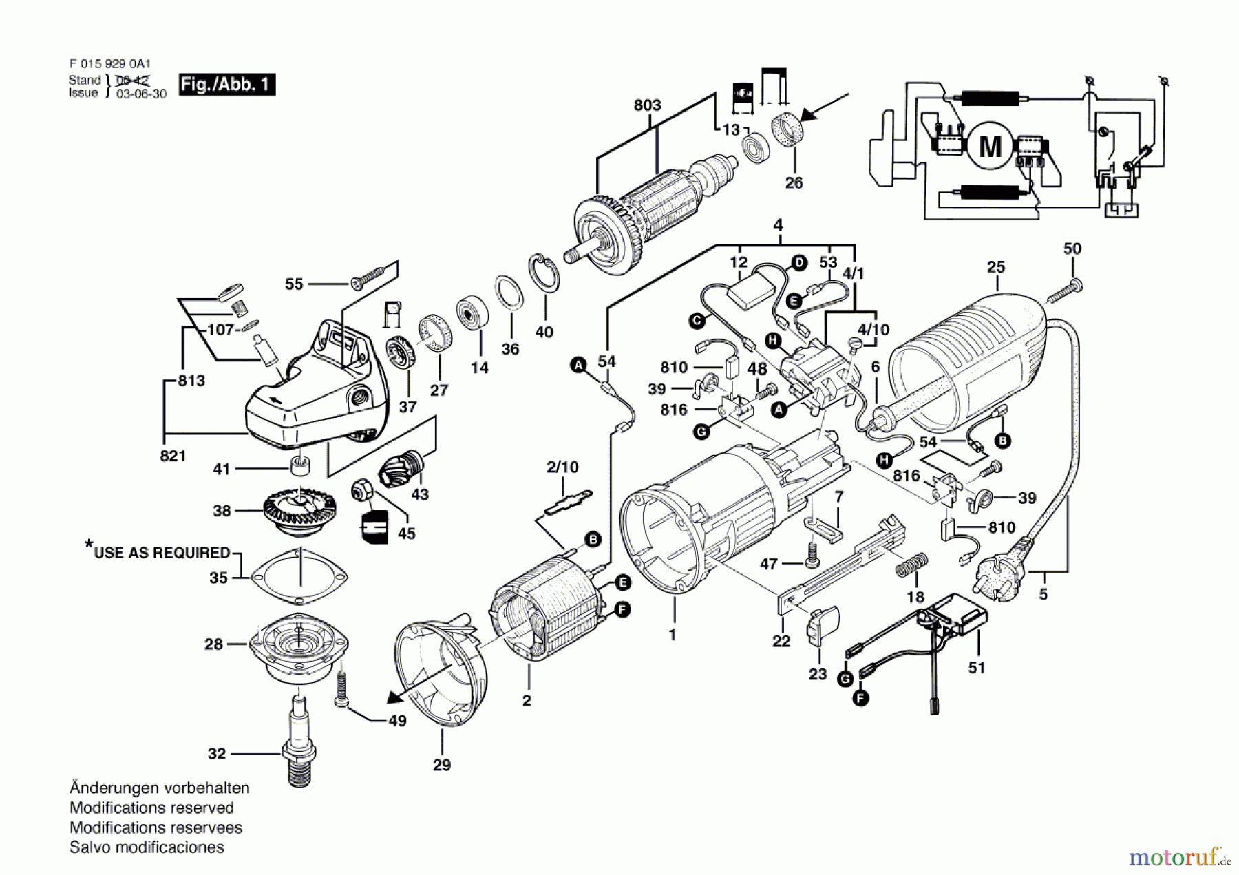
Artikel Nummer: F 015 929 0A1 (F0159290A1)

Hier finden Sie die Ersatzteilzeichnung für Bosch Werkzeug Winkelschleifer 9290 A1 Seite 1. Wählen Sie das benötigte Ersatzteil aus der Ersatzteilliste Ihres Bosch Gerätes aus und bestellen Sie einfach online. Viele Bosch Ersatzteile halten wir ständig in unserem Lager für Sie bereit.


Qualitätsmanagement
Informieren Sie uns, wenn Sie einen Fehler gefunden haben.

