Bosch Winkelschleifer 9105 H2 Ersatzteile
9105 H2 Winkelschleifer
Artikel Nummer: F 015 910 5D2 (F0159105D2)

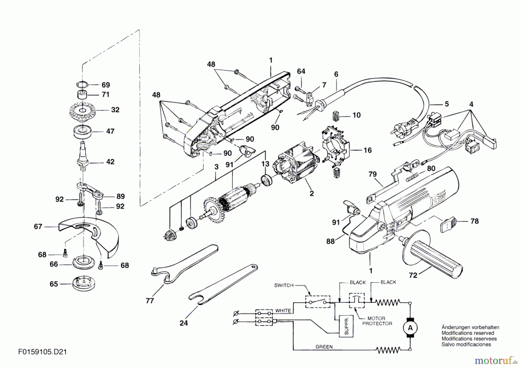
Hier finden Sie die Ersatzteilzeichnung für Bosch Werkzeug Winkelschleifer 9105 H2 Seite 1. Wählen Sie das benötigte Ersatzteil aus der Ersatzteilliste Ihres Bosch Gerätes aus und bestellen Sie einfach online. Viele Bosch Ersatzteile halten wir ständig in unserem Lager für Sie bereit.


Qualitätsmanagement
Informieren Sie uns, wenn Sie einen Fehler gefunden haben.


