Bosch Bandschleifer 7600 Ersatzteile
7600 Bandschleifer
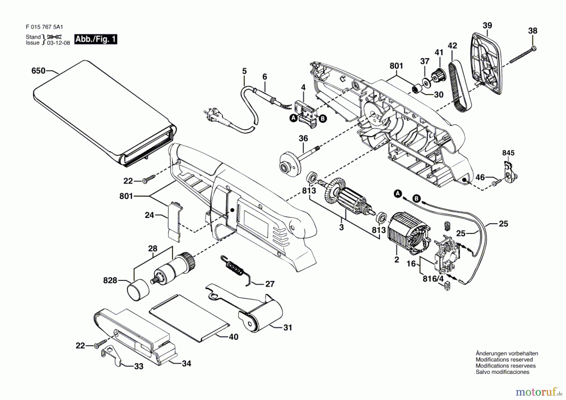
Artikel Nummer: F 015 767 5A1 (F0157675A1)

Hier finden Sie die Ersatzteilzeichnung für Bosch Werkzeug Bandschleifer 7600 Seite 1. Wählen Sie das benötigte Ersatzteil aus der Ersatzteilliste Ihres Bosch Gerätes aus und bestellen Sie einfach online. Viele Bosch Ersatzteile halten wir ständig in unserem Lager für Sie bereit.


Qualitätsmanagement
Informieren Sie uns, wenn Sie einen Fehler gefunden haben.



