Bosch Schwingschleifer 7312 Ersatzteile
7312 Schwingschleifer
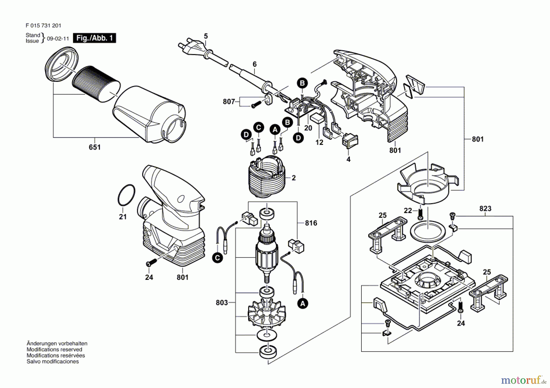
Artikel Nummer: F 015 731 201 (F015731201)

Hier finden Sie die Ersatzteilzeichnung für Bosch Werkzeug Schwingschleifer 7312 Seite 1. Wählen Sie das benötigte Ersatzteil aus der Ersatzteilliste Ihres Bosch Gerätes aus und bestellen Sie einfach online. Viele Bosch Ersatzteile halten wir ständig in unserem Lager für Sie bereit.


Qualitätsmanagement
Informieren Sie uns, wenn Sie einen Fehler gefunden haben.

