Bosch Hammer/Elektrowerkzeug 6845 H1 Ersatzteile
6845 H1 Hammer/Elektrowerkzeug
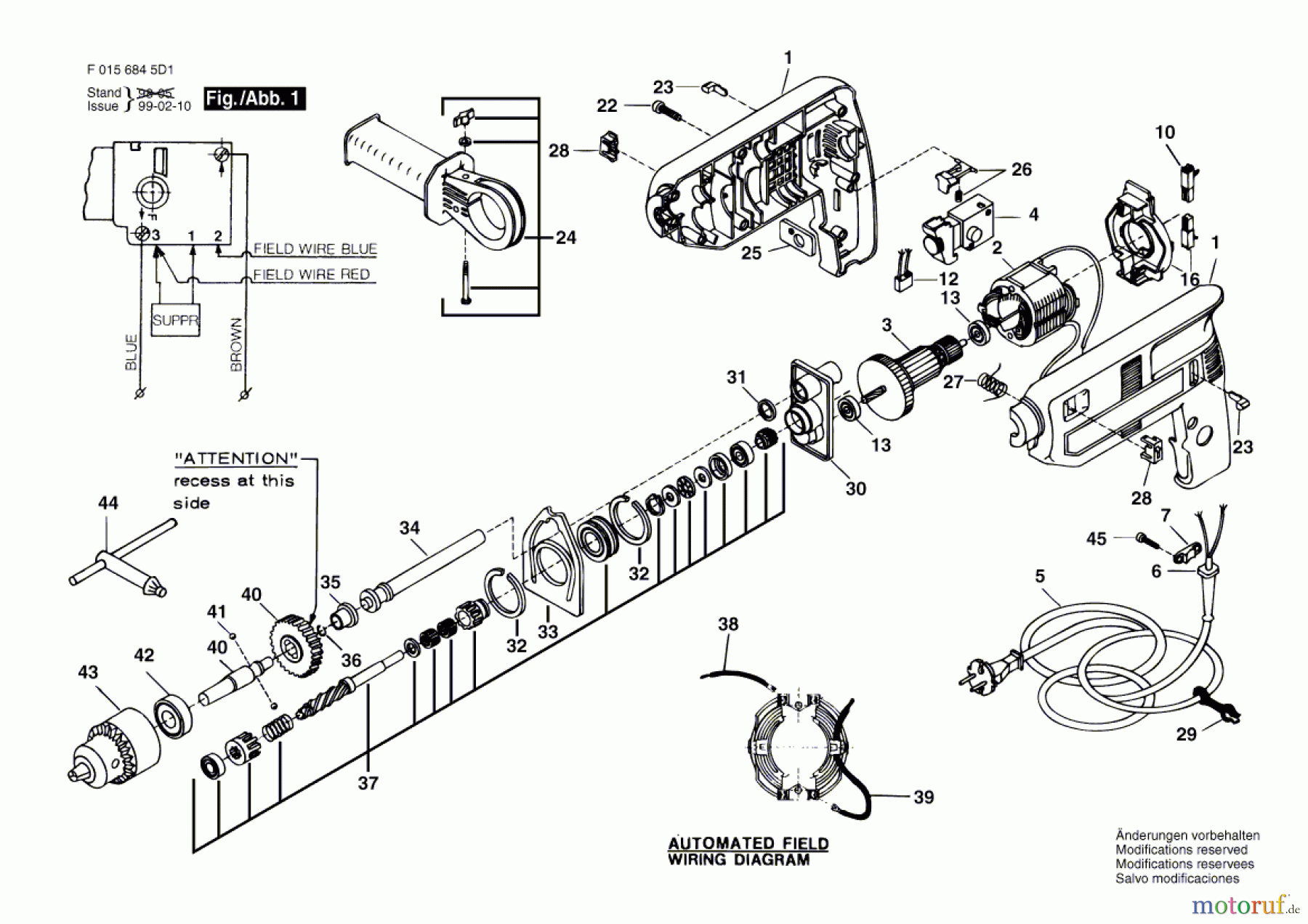
Artikel Nummer: F 015 684 5D1 (F0156845D1)

Hier finden Sie die Ersatzteilzeichnung für Bosch Werkzeug Hammer/Elektrowerkzeug 6845 H1 Seite 1. Wählen Sie das benötigte Ersatzteil aus der Ersatzteilliste Ihres Bosch Gerätes aus und bestellen Sie einfach online. Viele Bosch Ersatzteile halten wir ständig in unserem Lager für Sie bereit.


Qualitätsmanagement
Informieren Sie uns, wenn Sie einen Fehler gefunden haben.