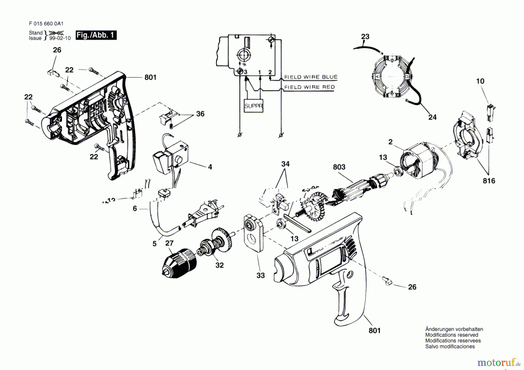
Bosch Bohrmaschine 6600 H1 Ersatzteile
6600 H1 Bohrmaschine
Artikel Nummer: F 015 660 0A1 (F0156600A1)

Hier finden Sie die Ersatzteilzeichnung für Bosch Werkzeug Bohrmaschine 6600 H1 Seite 1. Wählen Sie das benötigte Ersatzteil aus der Ersatzteilliste Ihres Bosch Gerätes aus und bestellen Sie einfach online. Viele Bosch Ersatzteile halten wir ständig in unserem Lager für Sie bereit.




