Bosch Ratsche 6464 Ersatzteile
6464 Ratsche
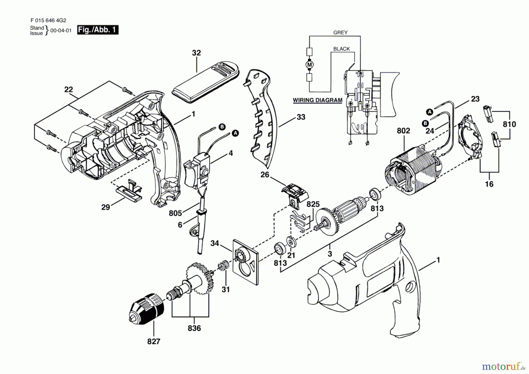
Artikel Nummer: F 015 646 4G2 (F0156464G2)

Hier finden Sie die Ersatzteilzeichnung für Bosch Werkzeug Ratsche 6464 Seite 1. Wählen Sie das benötigte Ersatzteil aus der Ersatzteilliste Ihres Bosch Gerätes aus und bestellen Sie einfach online. Viele Bosch Ersatzteile halten wir ständig in unserem Lager für Sie bereit.


Qualitätsmanagement
Informieren Sie uns, wenn Sie einen Fehler gefunden haben.



