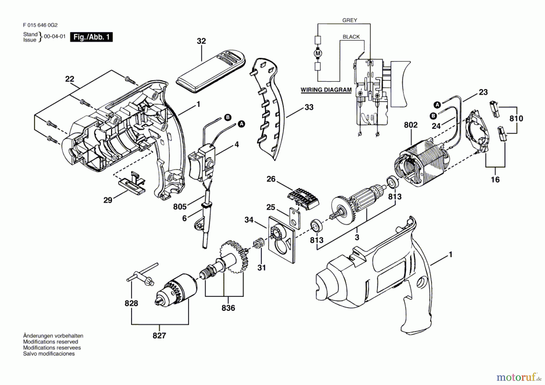
Bosch Ratsche 6460 Ersatzteile
6460 Ratsche
Artikel Nummer: F 015 646 0G2 (F0156460G2)

Hier finden Sie die Ersatzteilzeichnung für Bosch Werkzeug Ratsche 6460 Seite 1. Wählen Sie das benötigte Ersatzteil aus der Ersatzteilliste Ihres Bosch Gerätes aus und bestellen Sie einfach online. Viele Bosch Ersatzteile halten wir ständig in unserem Lager für Sie bereit.




