Bosch Ratsche 6453 Ersatzteile
6453 Ratsche
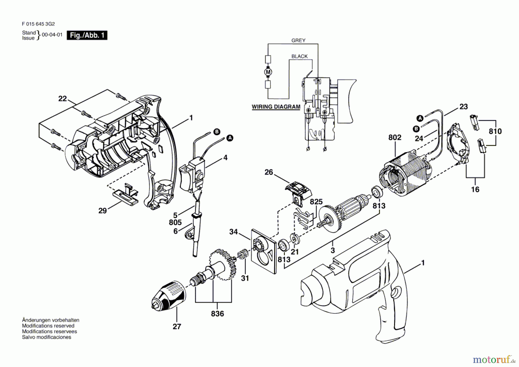
Artikel Nummer: F 015 645 3G2 (F0156453G2)

Hier finden Sie die Ersatzteilzeichnung für Bosch Werkzeug Ratsche 6453 Seite 1. Wählen Sie das benötigte Ersatzteil aus der Ersatzteilliste Ihres Bosch Gerätes aus und bestellen Sie einfach online. Viele Bosch Ersatzteile halten wir ständig in unserem Lager für Sie bereit.


Qualitätsmanagement
Informieren Sie uns, wenn Sie einen Fehler gefunden haben.



