Bosch Bohrmaschine 6400 H2 Ersatzteile
6400 H2 Bohrmaschine
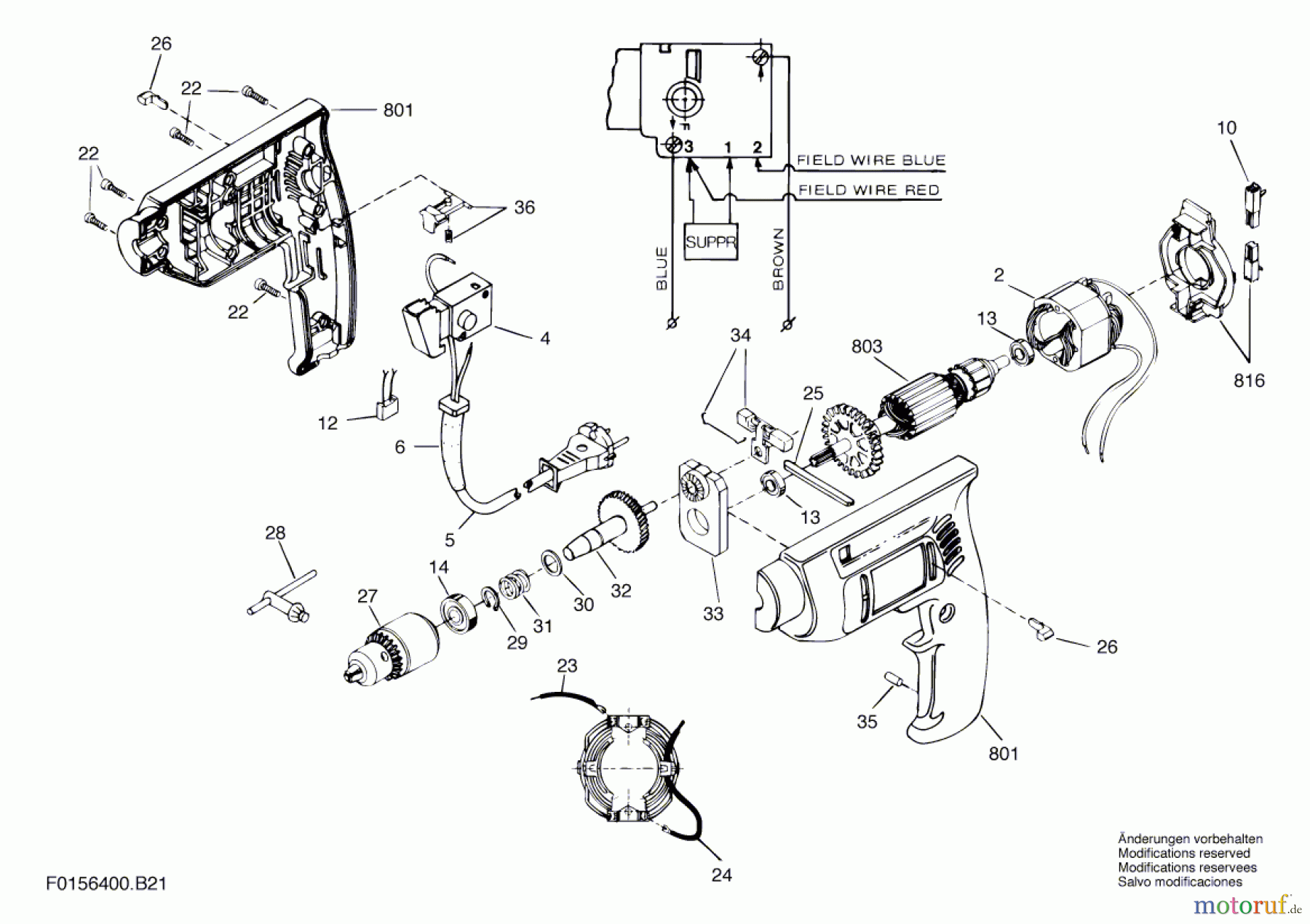
Artikel Nummer: F 015 640 0B2 (F0156400B2)

Hier finden Sie die Ersatzteilzeichnung für Bosch Werkzeug Bohrmaschine 6400 H2 Seite 1. Wählen Sie das benötigte Ersatzteil aus der Ersatzteilliste Ihres Bosch Gerätes aus und bestellen Sie einfach online. Viele Bosch Ersatzteile halten wir ständig in unserem Lager für Sie bereit.


Qualitätsmanagement
Informieren Sie uns, wenn Sie einen Fehler gefunden haben.


