Bosch Kreissäge 5566 Ersatzteile
5566 Kreissäge
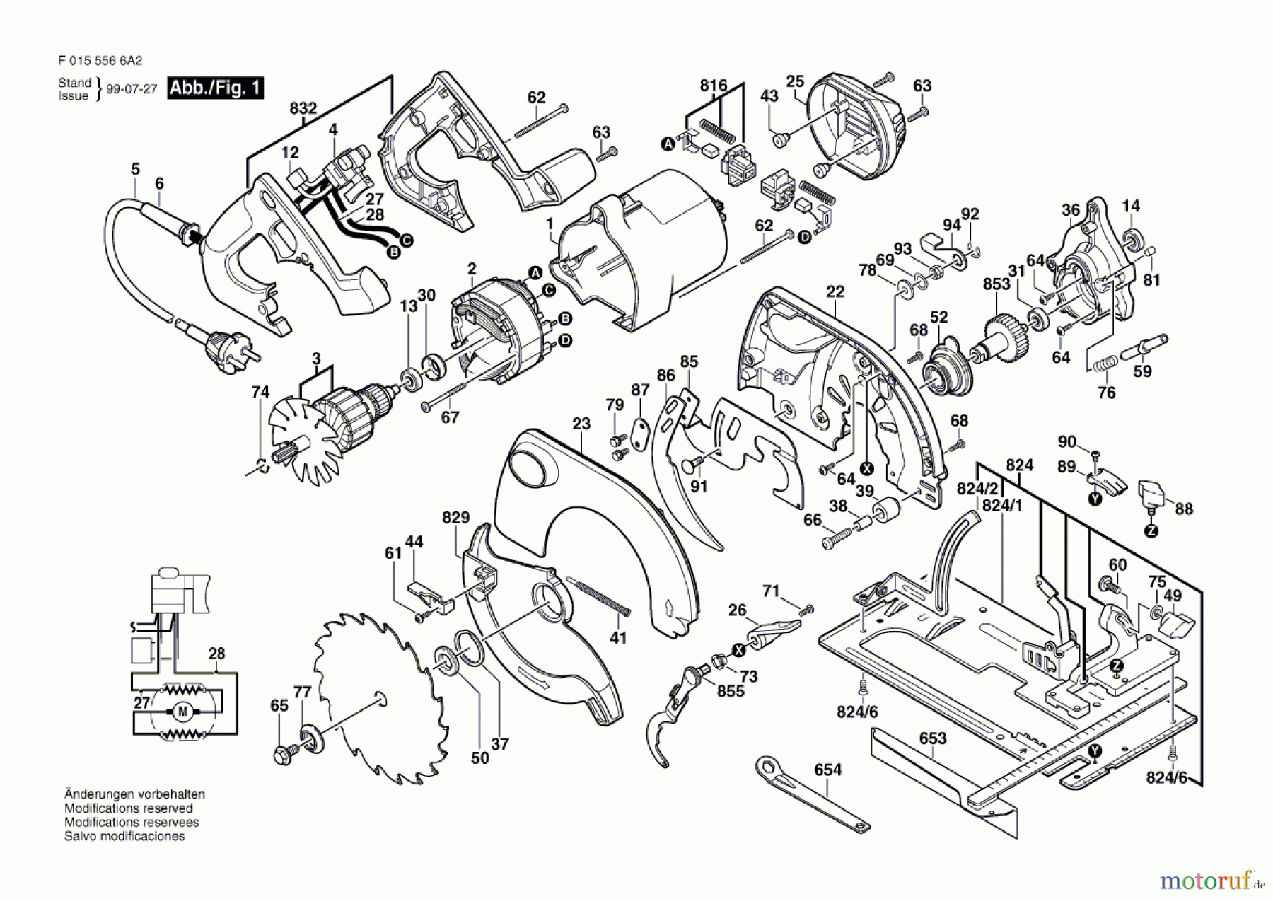
Artikel Nummer: F 015 556 6A2 (F0155566A2)

Hier finden Sie die Ersatzteilzeichnung für Bosch Werkzeug Kreissäge 5566 Seite 1. Wählen Sie das benötigte Ersatzteil aus der Ersatzteilliste Ihres Bosch Gerätes aus und bestellen Sie einfach online. Viele Bosch Ersatzteile halten wir ständig in unserem Lager für Sie bereit.


Qualitätsmanagement
Informieren Sie uns, wenn Sie einen Fehler gefunden haben.

