Bosch Drehwerkzeug 4465 H1 Ersatzteile
4465 H1 Drehwerkzeug
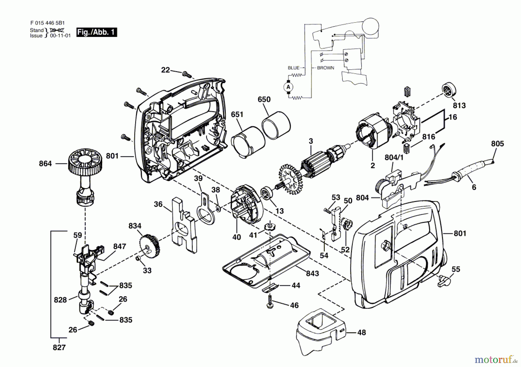
Artikel Nummer: F 015 446 5B1 (F0154465B1)

Hier finden Sie die Ersatzteilzeichnung für Bosch Werkzeug Drehwerkzeug 4465 H1 Seite 1. Wählen Sie das benötigte Ersatzteil aus der Ersatzteilliste Ihres Bosch Gerätes aus und bestellen Sie einfach online. Viele Bosch Ersatzteile halten wir ständig in unserem Lager für Sie bereit.


Qualitätsmanagement
Informieren Sie uns, wenn Sie einen Fehler gefunden haben.


