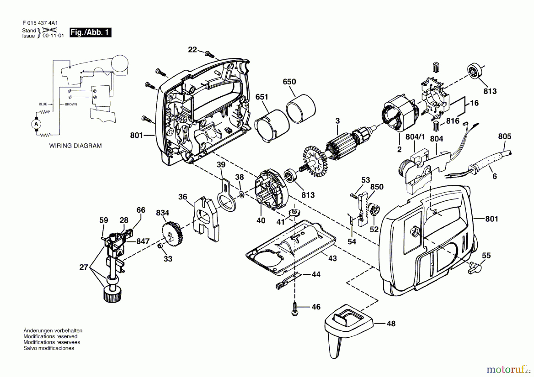
Bosch Stichsäge 4374 Ersatzteile
4374 Stichsäge
Artikel Nummer: F 015 437 4B1 (F0154374B1)

Hier finden Sie die Ersatzteilzeichnung für Bosch Werkzeug Stichsäge 4374 Seite 1. Wählen Sie das benötigte Ersatzteil aus der Ersatzteilliste Ihres Bosch Gerätes aus und bestellen Sie einfach online. Viele Bosch Ersatzteile halten wir ständig in unserem Lager für Sie bereit.




