Bosch Stichsäge 4270 Ersatzteile
4270 Stichsäge
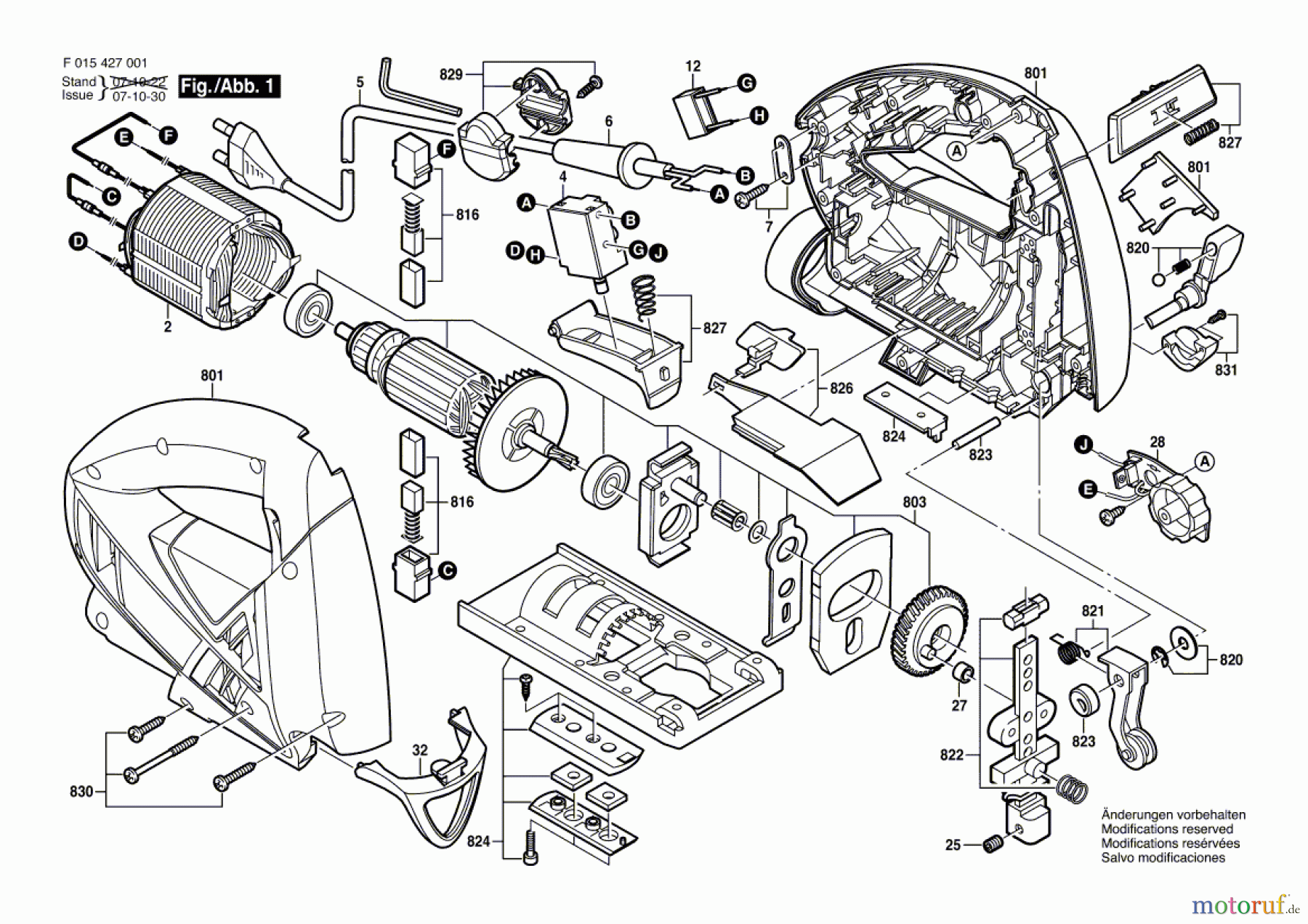
Artikel Nummer: F 015 427 001 (F015427001)

Hier finden Sie die Ersatzteilzeichnung für Bosch Werkzeug Stichsäge 4270 Seite 1. Wählen Sie das benötigte Ersatzteil aus der Ersatzteilliste Ihres Bosch Gerätes aus und bestellen Sie einfach online. Viele Bosch Ersatzteile halten wir ständig in unserem Lager für Sie bereit.


Qualitätsmanagement
Informieren Sie uns, wenn Sie einen Fehler gefunden haben.

