Bosch Stichsäge 4000 H1 Ersatzteile
4000 H1 Stichsäge
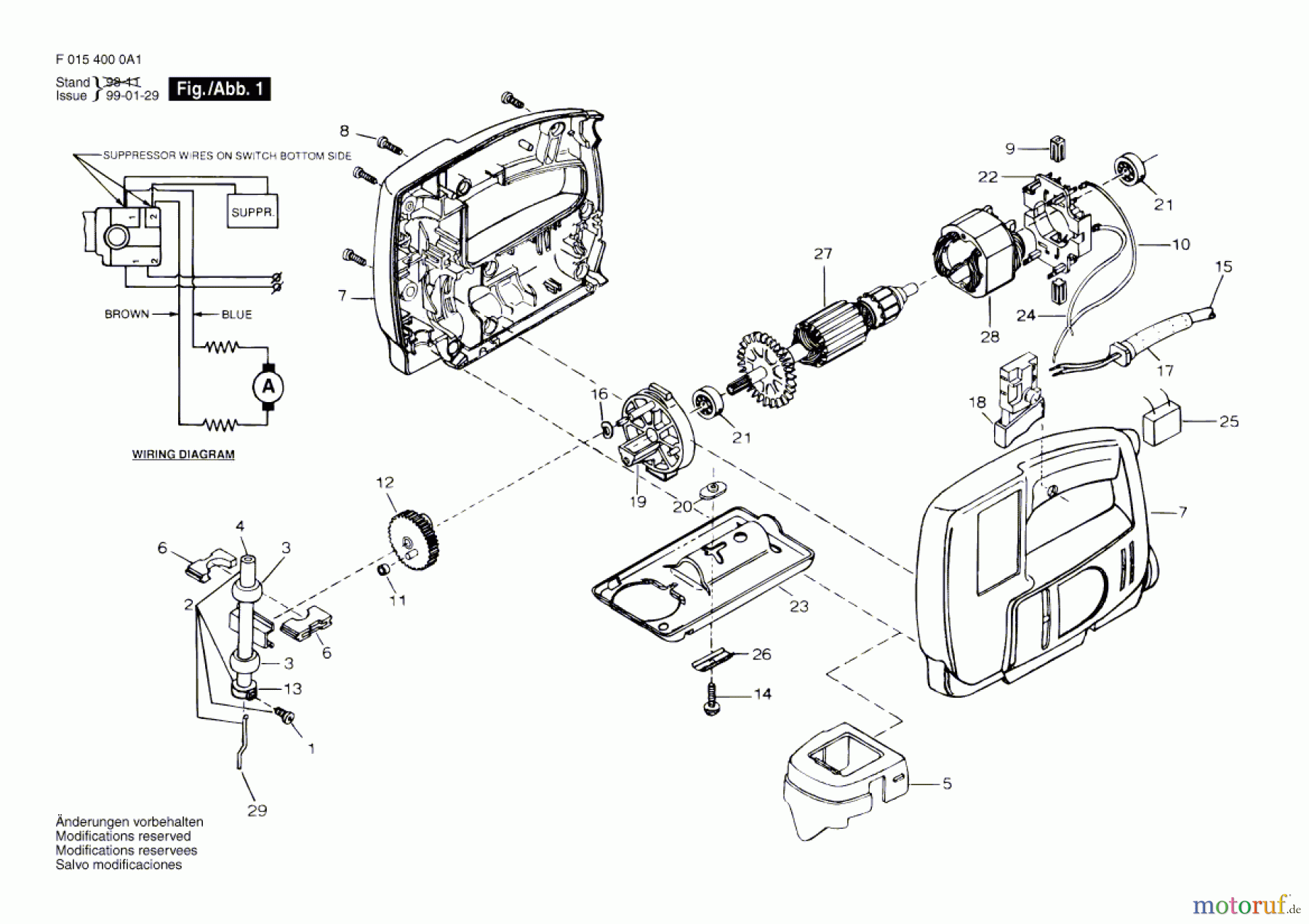
Artikel Nummer: F 015 400 0A1 (F0154000A1)

Hier finden Sie die Ersatzteilzeichnung für Bosch Werkzeug Stichsäge 4000 H1 Seite 1. Wählen Sie das benötigte Ersatzteil aus der Ersatzteilliste Ihres Bosch Gerätes aus und bestellen Sie einfach online. Viele Bosch Ersatzteile halten wir ständig in unserem Lager für Sie bereit.


Qualitätsmanagement
Informieren Sie uns, wenn Sie einen Fehler gefunden haben.


