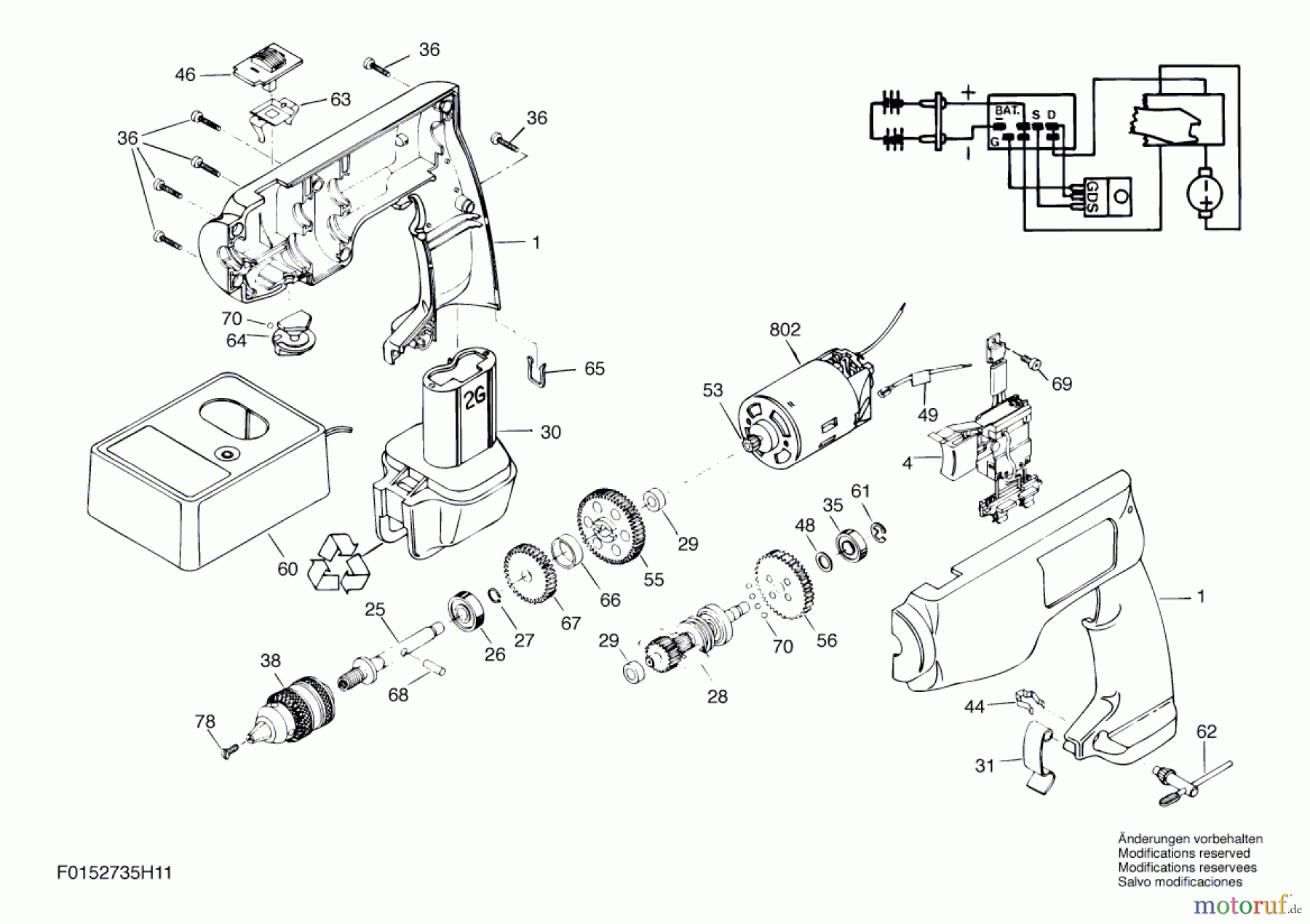
Bosch Gw-Akku-Schrauber 2735H1 Ersatzteile
2735H1 Gw-Akku-Schrauber
Artikel Nummer: F 015 273 5H1 (F0152735H1)

Hier finden Sie die Ersatzteilzeichnung für Bosch Akku Werkzeug Gw-Akku-Schrauber 2735H1 Seite 1. Wählen Sie das benötigte Ersatzteil aus der Ersatzteilliste Ihres Bosch Gerätes aus und bestellen Sie einfach online. Viele Bosch Ersatzteile halten wir ständig in unserem Lager für Sie bereit.



