Bosch Gw-Akku-Schrauber 2210 Ersatzteile
2210 Gw-Akku-Schrauber
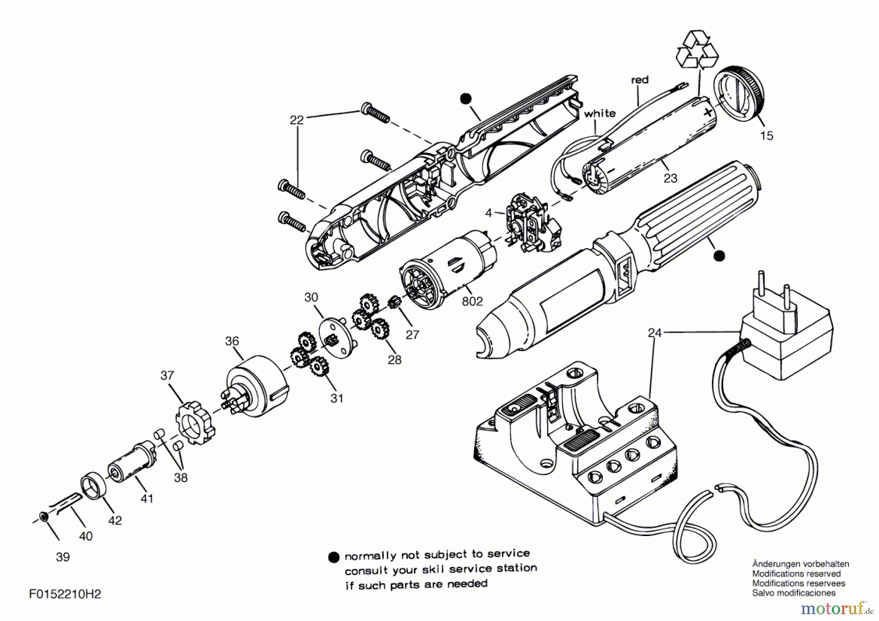
Artikel Nummer: F 015 221 0H2 (F0152210H2)

Hier finden Sie die Ersatzteilzeichnung für Bosch Akku Werkzeug Gw-Akku-Schrauber 2210 Seite 1. Wählen Sie das benötigte Ersatzteil aus der Ersatzteilliste Ihres Bosch Gerätes aus und bestellen Sie einfach online. Viele Bosch Ersatzteile halten wir ständig in unserem Lager für Sie bereit.


Qualitätsmanagement
Informieren Sie uns, wenn Sie einen Fehler gefunden haben.

