Bosch Gw-Akku-Schrauber 2125 Ersatzteile
2125 Gw-Akku-Schrauber
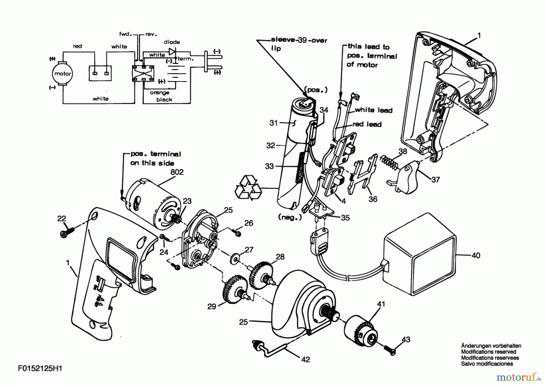
Artikel Nummer: F 015 212 5H1 (F0152125H1)

Hier finden Sie die Ersatzteilzeichnung für Bosch Akku Werkzeug Gw-Akku-Schrauber 2125 Seite 1. Wählen Sie das benötigte Ersatzteil aus der Ersatzteilliste Ihres Bosch Gerätes aus und bestellen Sie einfach online. Viele Bosch Ersatzteile halten wir ständig in unserem Lager für Sie bereit.


Qualitätsmanagement
Informieren Sie uns, wenn Sie einen Fehler gefunden haben.

