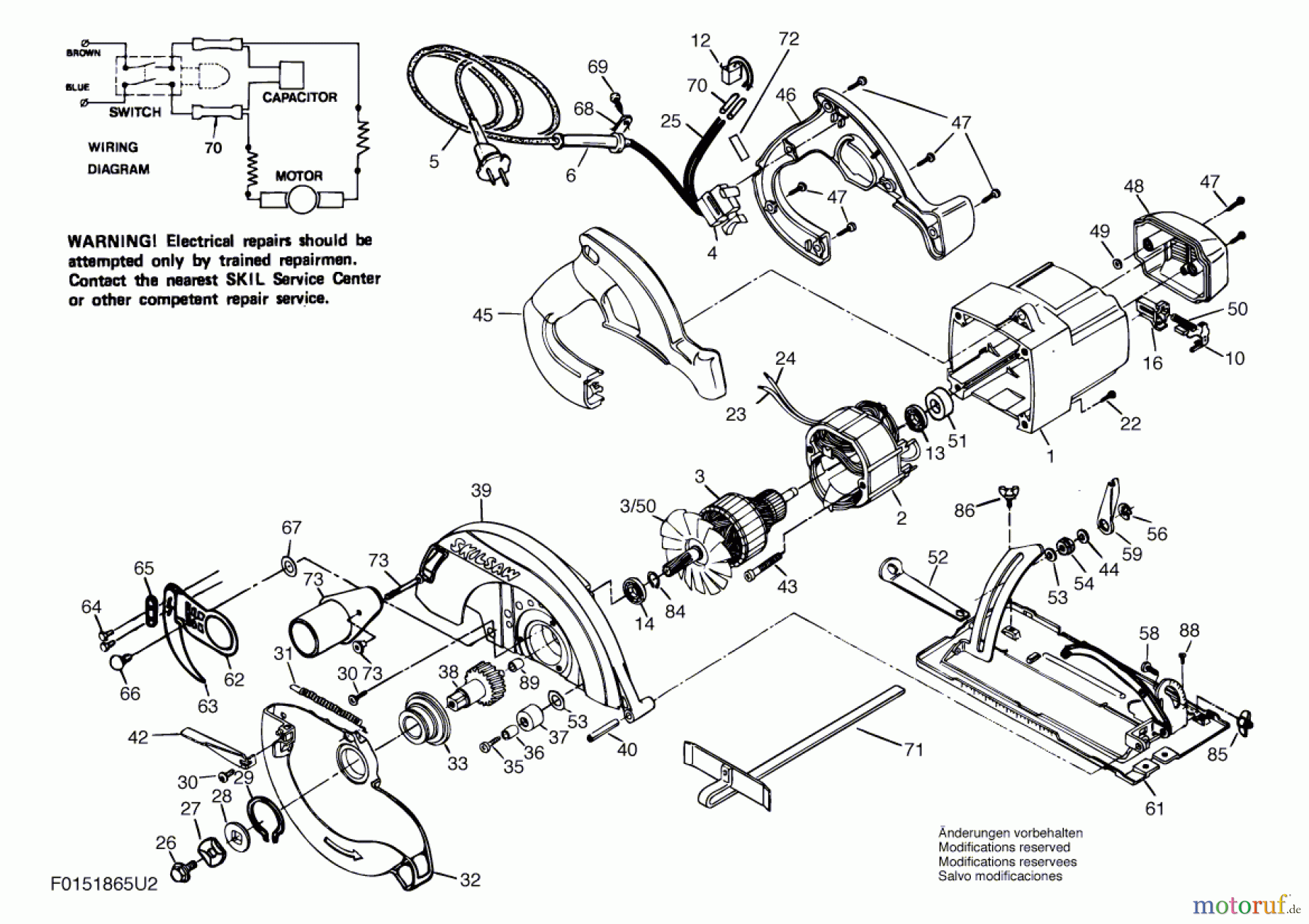
Bosch Handkreissäge 1865U2 Ersatzteile
1865U2 Handkreissäge
Artikel Nummer: F 015 186 5U2 (F0151865U2)

Hier finden Sie die Ersatzteilzeichnung für Bosch Werkzeug Handkreissäge 1865U2 Seite 1. Wählen Sie das benötigte Ersatzteil aus der Ersatzteilliste Ihres Bosch Gerätes aus und bestellen Sie einfach online. Viele Bosch Ersatzteile halten wir ständig in unserem Lager für Sie bereit.




