Bosch Handkreissäge 1854U2 Ersatzteile
1854U2 Handkreissäge
Artikel Nummer: F 015 185 4U2 (F0151854U2)

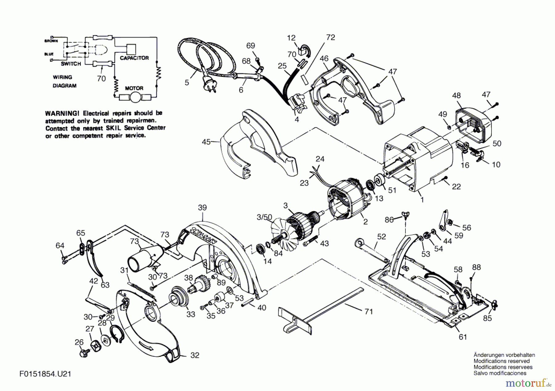
Hier finden Sie die Ersatzteilzeichnung für Bosch Werkzeug Handkreissäge 1854U2 Seite 1. Wählen Sie das benötigte Ersatzteil aus der Ersatzteilliste Ihres Bosch Gerätes aus und bestellen Sie einfach online. Viele Bosch Ersatzteile halten wir ständig in unserem Lager für Sie bereit.


Qualitätsmanagement
Informieren Sie uns, wenn Sie einen Fehler gefunden haben.

