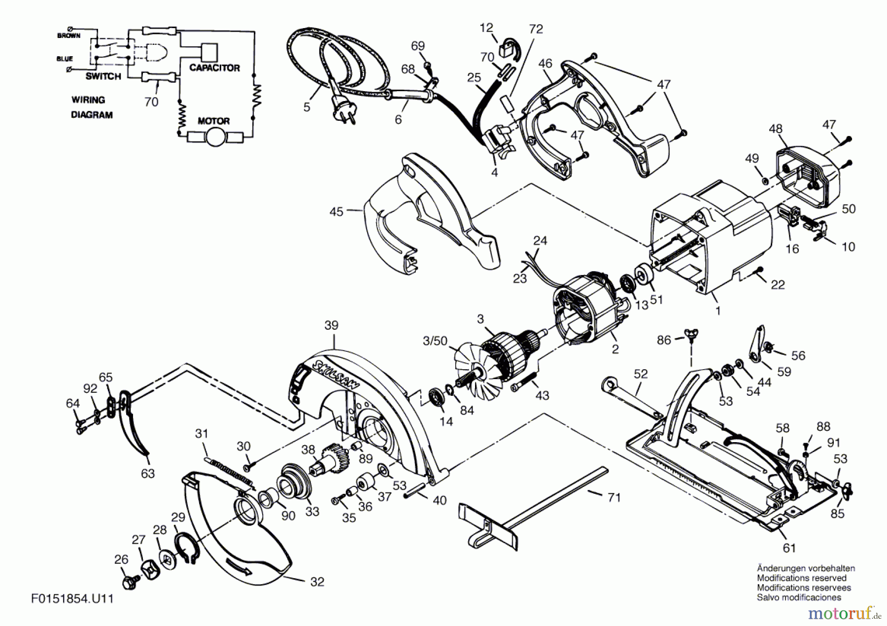
Bosch Handkreissäge 1854U1 Ersatzteile
1854U1 Handkreissäge
Artikel Nummer: F 015 185 4U1 (F0151854U1)

Hier finden Sie die Ersatzteilzeichnung für Bosch Werkzeug Handkreissäge 1854U1 Seite 1. Wählen Sie das benötigte Ersatzteil aus der Ersatzteilliste Ihres Bosch Gerätes aus und bestellen Sie einfach online. Viele Bosch Ersatzteile halten wir ständig in unserem Lager für Sie bereit.



