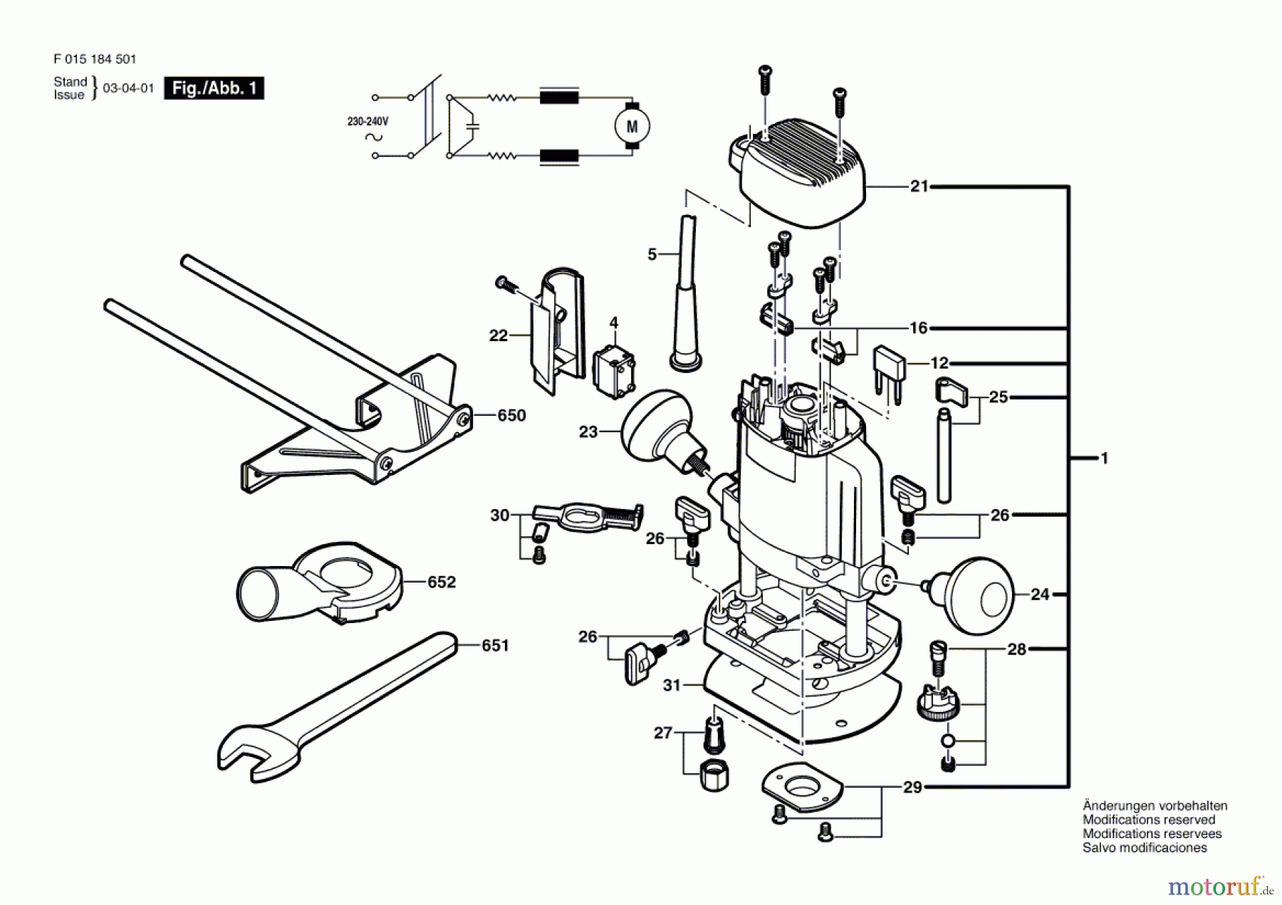
Bosch Oberfräse 1845 Ersatzteile
1845 Oberfräse
Artikel Nummer: F 015 184 501 (F015184501)

Hier finden Sie die Ersatzteilzeichnung für Bosch Werkzeug Oberfräse 1845 Seite 1. Wählen Sie das benötigte Ersatzteil aus der Ersatzteilliste Ihres Bosch Gerätes aus und bestellen Sie einfach online. Viele Bosch Ersatzteile halten wir ständig in unserem Lager für Sie bereit.



