Bosch Oberfräse 1835U1 Ersatzteile
1835U1 Oberfräse
Artikel Nummer: F 015 183 545 (F015183545)

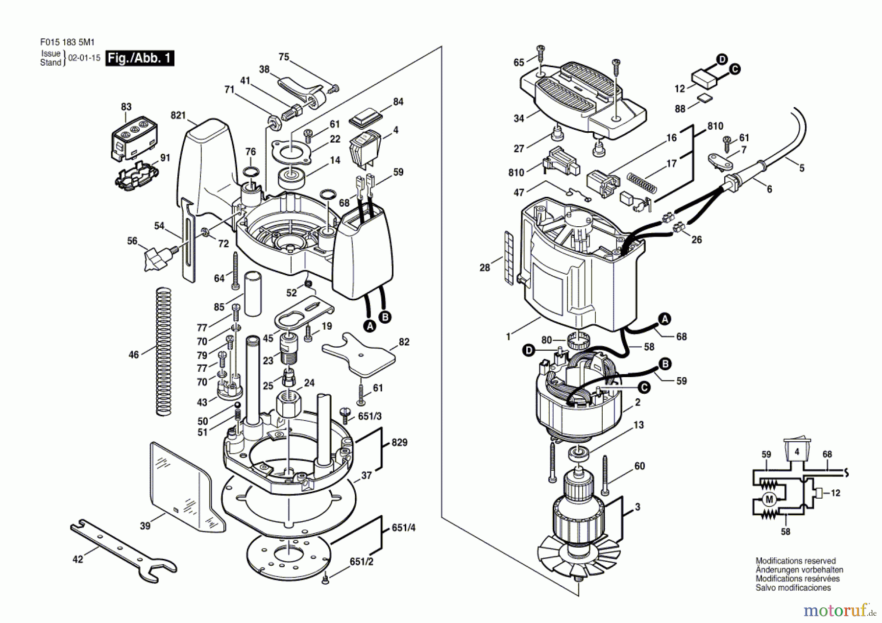
Hier finden Sie die Ersatzteilzeichnung für Bosch Werkzeug Oberfräse 1835U1 Seite 1. Wählen Sie das benötigte Ersatzteil aus der Ersatzteilliste Ihres Bosch Gerätes aus und bestellen Sie einfach online. Viele Bosch Ersatzteile halten wir ständig in unserem Lager für Sie bereit.


Qualitätsmanagement
Informieren Sie uns, wenn Sie einen Fehler gefunden haben.

