Bosch Handhobel 1506H1 Ersatzteile
1506H1 Handhobel
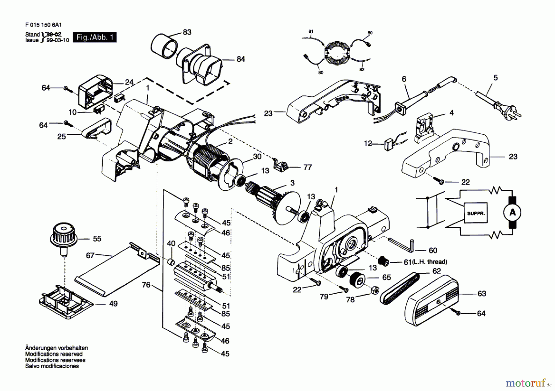
Artikel Nummer: F 015 150 6A1 (F0151506A1)

Hier finden Sie die Ersatzteilzeichnung für Bosch Werkzeug Handhobel 1506H1 Seite 1. Wählen Sie das benötigte Ersatzteil aus der Ersatzteilliste Ihres Bosch Gerätes aus und bestellen Sie einfach online. Viele Bosch Ersatzteile halten wir ständig in unserem Lager für Sie bereit.


Qualitätsmanagement
Informieren Sie uns, wenn Sie einen Fehler gefunden haben.


