Bosch Winkelschleifer 1459H1 Ersatzteile
1459H1 Winkelschleifer
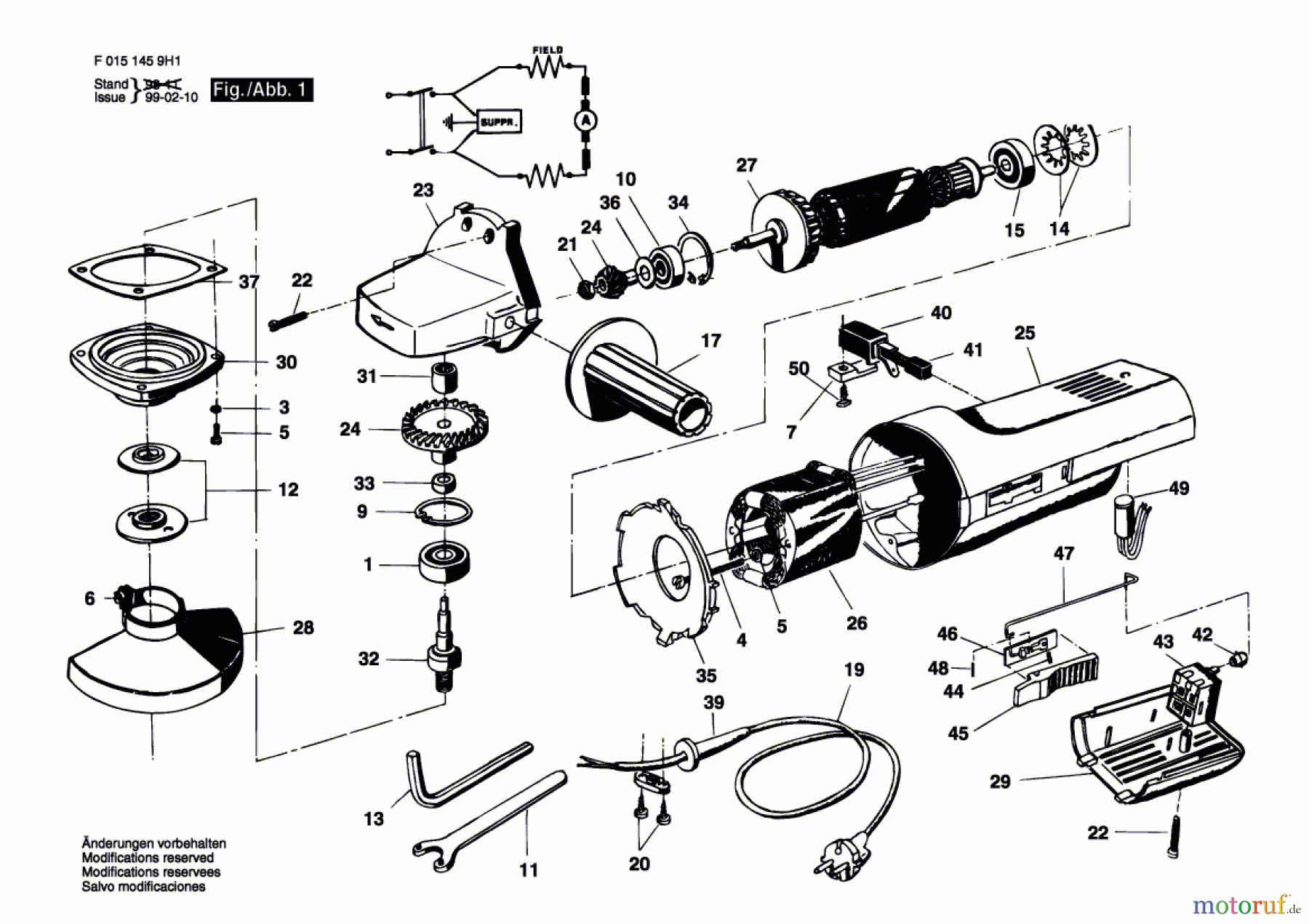
Artikel Nummer: F 015 145 9H1 (F0151459H1)

Hier finden Sie die Ersatzteilzeichnung für Bosch Werkzeug Winkelschleifer 1459H1 Seite 1. Wählen Sie das benötigte Ersatzteil aus der Ersatzteilliste Ihres Bosch Gerätes aus und bestellen Sie einfach online. Viele Bosch Ersatzteile halten wir ständig in unserem Lager für Sie bereit.


Qualitätsmanagement
Informieren Sie uns, wenn Sie einen Fehler gefunden haben.

