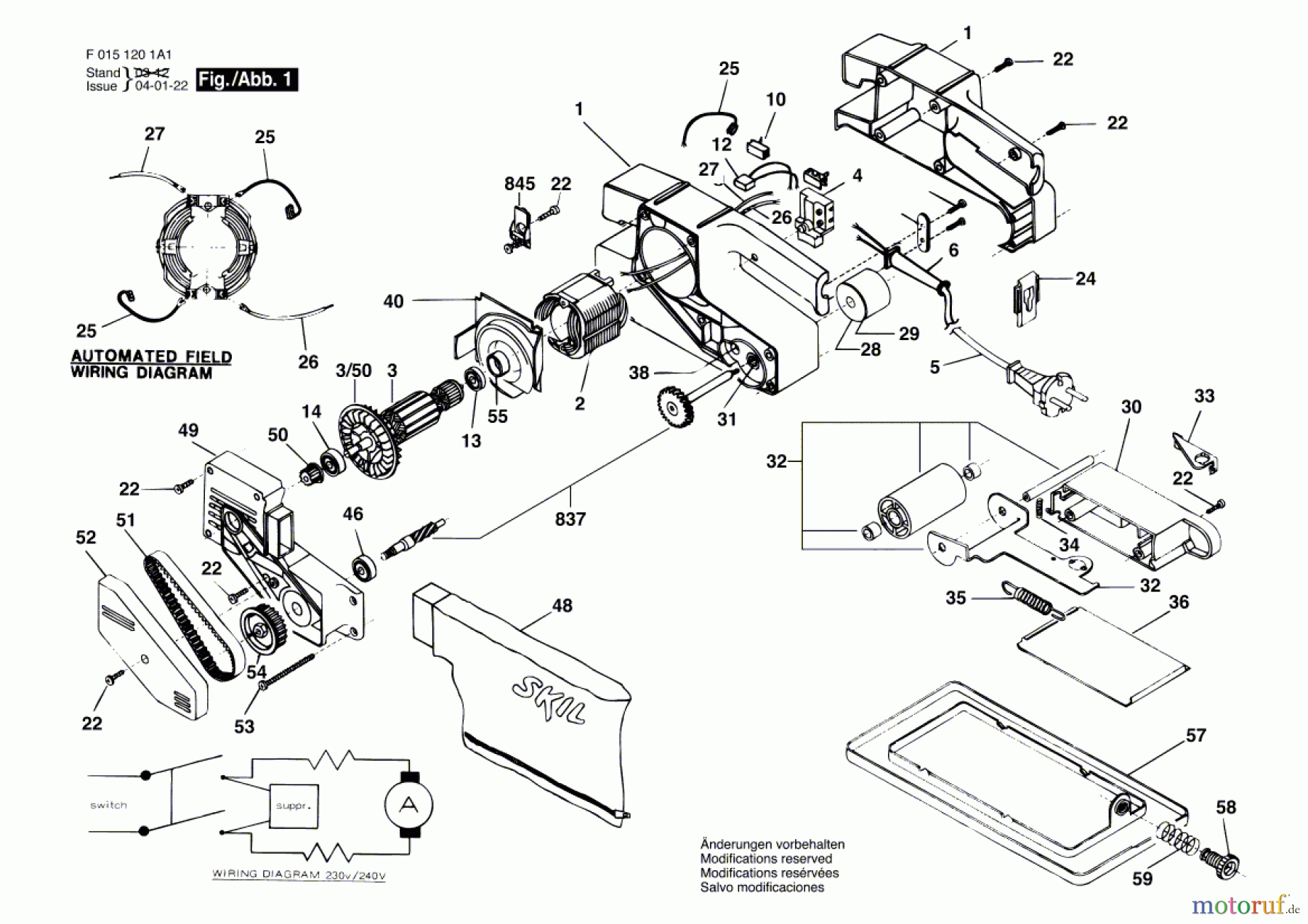
Bosch Bandschleifer 1201H1 Ersatzteile
1201H1 Bandschleifer
Artikel Nummer: F 015 120 1A1 (F0151201A1)

Hier finden Sie die Ersatzteilzeichnung für Bosch Werkzeug Bandschleifer 1201H1 Seite 1. Wählen Sie das benötigte Ersatzteil aus der Ersatzteilliste Ihres Bosch Gerätes aus und bestellen Sie einfach online. Viele Bosch Ersatzteile halten wir ständig in unserem Lager für Sie bereit.


Qualitätsmanagement
Informieren Sie uns, wenn Sie einen Fehler gefunden haben.


