Bosch Bandschleifer 1100H1 Ersatzteile
1100H1 Bandschleifer
Artikel Nummer: F 015 110 0E1 (F0151100E1)

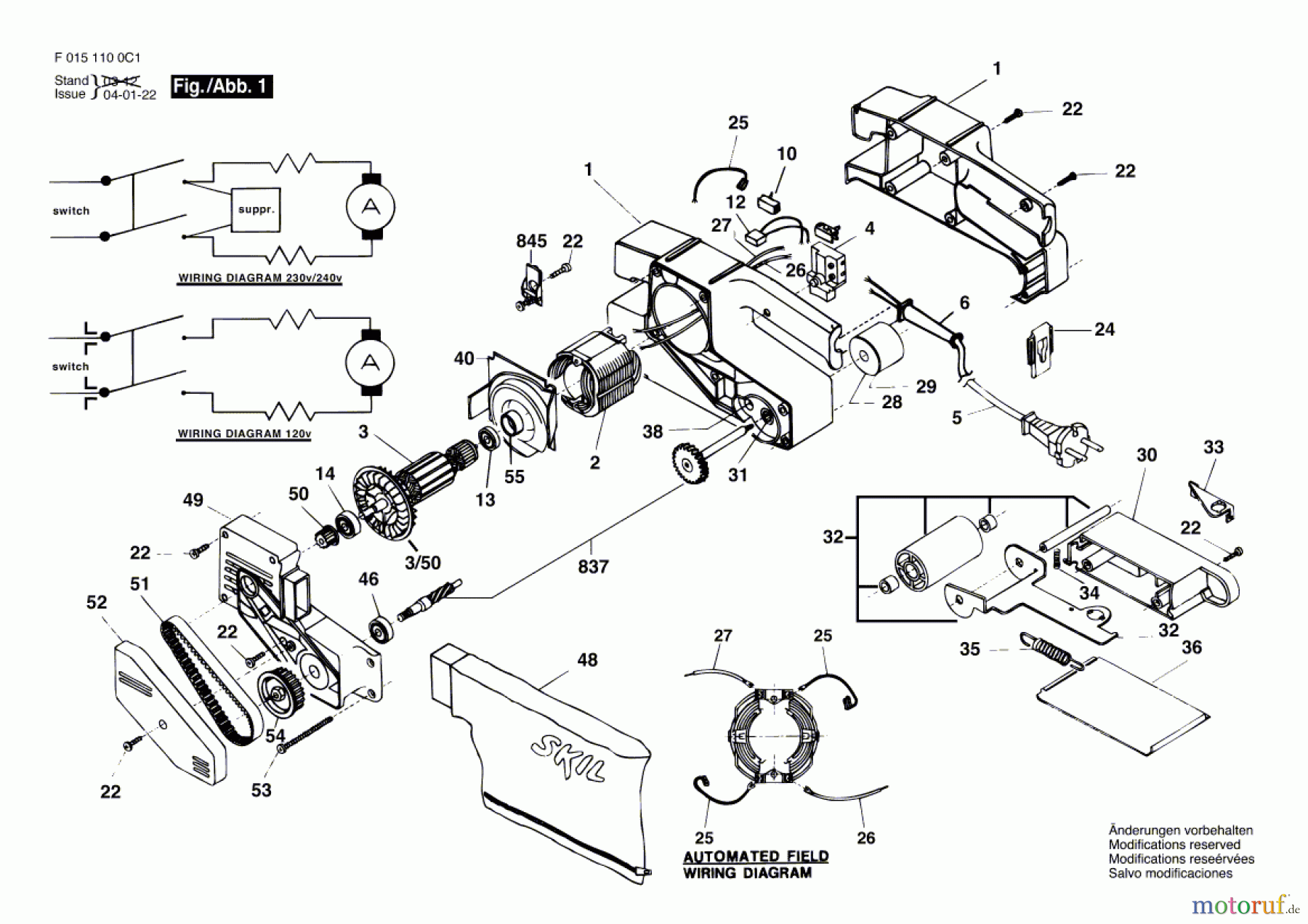
Hier finden Sie die Ersatzteilzeichnung für Bosch Werkzeug Bandschleifer 1100H1 Seite 1. Wählen Sie das benötigte Ersatzteil aus der Ersatzteilliste Ihres Bosch Gerätes aus und bestellen Sie einfach online. Viele Bosch Ersatzteile halten wir ständig in unserem Lager für Sie bereit.


Qualitätsmanagement
Informieren Sie uns, wenn Sie einen Fehler gefunden haben.


