Bosch Schlagbohrmaschine 1023 Ersatzteile
1023 Schlagbohrmaschine
Artikel Nummer: F 015 102 311 (F015102311)

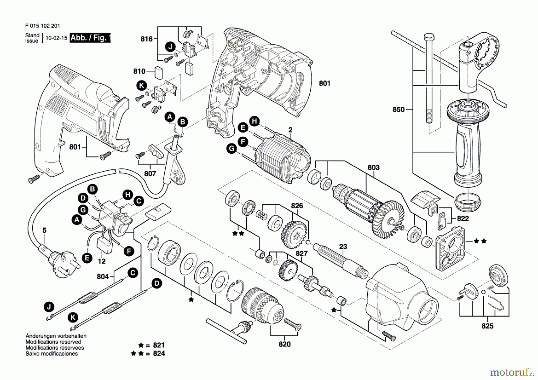
Hier finden Sie die Ersatzteilzeichnung für Bosch Werkzeug Schlagbohrmaschine 1023 Seite 1. Wählen Sie das benötigte Ersatzteil aus der Ersatzteilliste Ihres Bosch Gerätes aus und bestellen Sie einfach online. Viele Bosch Ersatzteile halten wir ständig in unserem Lager für Sie bereit.


Qualitätsmanagement
Informieren Sie uns, wenn Sie einen Fehler gefunden haben.

