Bosch Schwingschleifer 663H1 Ersatzteile
663H1 Schwingschleifer
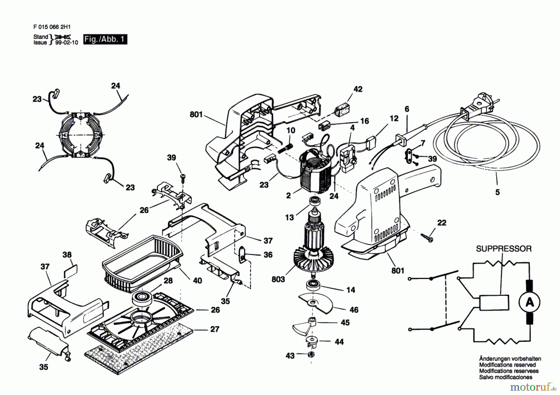
Artikel Nummer: F 015 066 2H1 (F0150662H1)

Hier finden Sie die Ersatzteilzeichnung für Bosch Werkzeug Schwingschleifer 663H1 Seite 1. Wählen Sie das benötigte Ersatzteil aus der Ersatzteilliste Ihres Bosch Gerätes aus und bestellen Sie einfach online. Viele Bosch Ersatzteile halten wir ständig in unserem Lager für Sie bereit.


Qualitätsmanagement
Informieren Sie uns, wenn Sie einen Fehler gefunden haben.


